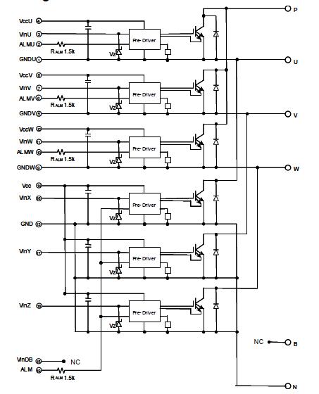
Product Summary
The 6MBP50TEA120 is an Econo IPM series 1200V / 50A 6 in one-package.
Parametrics
6MBP50TEA120 absolute maximum ratings: (1)DC bus voltage: 900V; (2)bus voltage (surge): 1000V; (3)bus voltage (short operating): 800V; (4)Collector-Emitter voltage: 1200V; (5)Supply voltage of Pre-Driver: -0.5~20V; (6)Input signal voltage: -0.5~Vcc+0.5V; (7)Input signal current: 3mA; (8)Alarm signal voltage: -0.5~VccV; (9)Alarm signal current: 20mA; (10)Junction temperature: 150℃; (11)Operating case temperature: -20~+100℃; (12)Storage temperature: -40~+125℃; (13)Solder temperature: 260℃; (14)Isolating voltage: 2500V.
Features
6MBP50TEA120 features: (1)Temperature protection provided by directly detecting the junction; (2)temperature of the IGBTs; (3)Low power loss and soft switching; (4)High performance and high reliability IGBT with overheating protection; (5)Higher reliability because of a big decrease in number of parts in built-in control circuit.
Diagrams

(Hong Kong)






