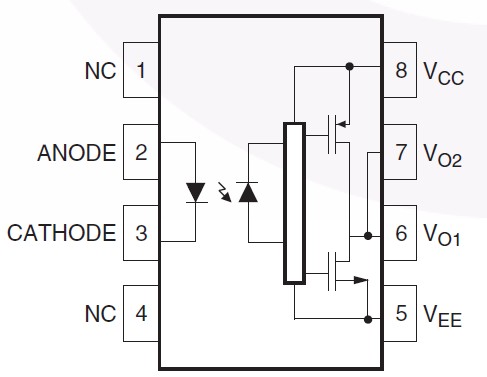
Product Summary
The FOD3120 is a 2.5A Output Current Gate Drive Optocoupler, capable of driving most 1200V/20A IGBT/MOSFET. It is ideally suited for fast switching driving of power IGBT and MOSFETs used in motor control inverter applications, and high performance power system. The FOD3120 consists of a gallium aluminum arsenide (AlGaAs) light emitting diode optically coupled to an integrated circuit with a high-speed driver for push-pull MOSFET output stage. The applications of the FOD3120 include: (1)Industrial inverter; (2)Uninterruptible power supply; (3)Induction heating; (4)Isolated IGBT/Power MOSFET gate drive.
Parametrics
FOD3120 absolute maximum ratings: (1)TSTG Storage Temperature: -55 to +125 ℃; (2)TOPR Operating Temperature: -40 to +100 ℃; (3)TJ Junction Temperature: -40 to +125 ℃; (4)TSOL Lead Wave Solder Temperature(refer to page 19 for reflow solder profile): 260 for 10sec ℃; (5)IF(AVG) Average Input Current: 25 mA; (6)VR Reverse Input Voltage: 5 V; (7)IO(PEAK)Peak Output Current: 3.0 A; (8)VCC-VEE Supply Voltage: 0 to 35 V; (9)VO(PEAK) Peak Output Voltage: 0 to VCC V.
Features
FOD3120 features: (1)High noise immunity characterized by 35kV/μs minimum common mode rejection; (2)2.5A peak output current driving capability for most 1200V/20A IGBT; (3)Use of P-channel MOSFETs at output stage enables output voltage swing close to the supply rail; (4)Wide supply voltage range from 15V to 30V; (5)Fast switching speed: 400ns max. propagation delay; 100ns max. pulse width distortion; (6)Under Voltage LockOut (UVLO) with hysteresis; (7)Extended industrial temperate range, -40℃ to 100℃ temperature range.
Diagrams

| Image | Part No | Mfg | Description | ![]() |
Pricing (USD) |
Quantity | ||||||||||||
|---|---|---|---|---|---|---|---|---|---|---|---|---|---|---|---|---|---|---|
![]() |
![]() FOD3120 |
![]() Fairchild Semiconductor |
![]() Logic Output Optocouplers HIGH NOISE IMMUNITY 2.5A OUTPUT |
![]() Data Sheet |
![]()
|
|
||||||||||||
![]() |
![]() FOD3120S |
![]() Fairchild Semiconductor |
![]() Logic Output Optocouplers Optocoupl Logic-Out Push-Pul DC-In 1-Ch |
![]() Data Sheet |
![]()
|
|
||||||||||||
![]() |
![]() FOD3120SV |
![]() Fairchild Semiconductor |
![]() Logic Output Optocouplers Optocoupl Logic-Out Push-Pul DC-In 1-Ch |
![]() Data Sheet |
![]()
|
|
||||||||||||
![]() |
![]() FOD3120SD |
![]() Fairchild Semiconductor |
![]() Logic Output Optocouplers Optocoupl Logic-Out Push-Pul DC-In 1-Ch |
![]() Data Sheet |
![]()
|
|
||||||||||||
![]() |
![]() FOD3120T |
![]() Fairchild Semiconductor |
![]() Logic Output Optocouplers Optocoupl Logic-Out Push-Pul DC-In 1-Ch |
![]() Data Sheet |
![]()
|
|
||||||||||||
![]() |
![]() FOD3120SDV |
![]() Fairchild Semiconductor |
![]() Logic Output Optocouplers Optocoupl Logic-Out Push-Pul DC-In 1-Ch |
![]() Data Sheet |
![]()
|
|
||||||||||||
![]() |
![]() FOD3120TSR2V |
![]() Fairchild Semiconductor |
![]() Logic Output Optocouplers High Noise Immunity 2.5A Out Gate |
![]() Data Sheet |
![]()
|
|
||||||||||||
![]() |
![]() FOD3120TSR2 |
![]() Fairchild Semiconductor |
![]() Logic Output Optocouplers High Noise Immunity 2.5A Out Gate |
![]() Data Sheet |
![]()
|
|
||||||||||||
(Hong Kong)










