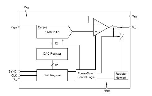
Product Summary
The DAC7513E/2K5 is a low-power, single, 12-bit buffered voltage output Digital-to-Analog Connector (DAC). The on-chip precision output amplifier allows rail-to-rail output swing to be achieved. The DAC7513E/2K5 uses a versatile 3-wire serial interface that operates at clock rates up to 30MHz and is compatible with standard SPI, QSPI, Microwire, and DSP interfaces. The applications of the DAC7513E/2K5 include process control, data acquisition systems, closed-loop servo-control, PC peripherals, portable instrumentation, and programmable attenuation.
Parametrics
DAC7513E/2K5 absolute maximum ratings: (1)VDD to GND:–0.3V to +6V; (2)Digital Input Voltage to GND: –0.3V to +VDD + 0.3V; (3)VOUT to GND: –0.3V to +VDD + 0.3V; (4)Operating Temperature Range:–40℃ to +105℃; (5)Storage Temperature Range:–65℃ to +150℃; (6)Junction Temperature Range (TJ max): +150℃; (7)SOT23 Package: Power Dissipation: (TJ max – TA)/θJA θJA Thermal Impedance: 240℃/W; (8)Lead Temperature, Soldering: Vapor Phase (60s): +215℃; (9)Infrared (15s): +220℃; (10)MSOP Package: Power Dissipation: (TJ max – TA)/θJA θJA Thermal Impedance: 206℃/W; (11)θJC Thermal Impedance: 44℃/W; (12)Lead Temperature, Soldering: Vapor Phase (60s): +215℃; (13)Infrared (15s): +220℃.
Features
DAC7513E/2K5 features: (1)micropower operation: 115μA at 5V; (2)power-on reset to zero; (3)power supply: +2.7V to +5.5V; (4)ensured monotonic by design; (5)settling time: 10μs to 1LSB; (6)low-power serial interface with Schmitt-triggered inputs; (7)on-chip output buffer amplifier, rail-to-rail operation; (8)sync interrupt facility; (9)SOT23-8 and MSOP-8 packages.
Diagrams

| Image | Part No | Mfg | Description | ![]() |
Pricing (USD) |
Quantity | ||||||||||||
|---|---|---|---|---|---|---|---|---|---|---|---|---|---|---|---|---|---|---|
![]() |
![]() DAC7513E/2K5 |
![]() Texas Instruments |
![]() DAC (D/A Converters) Lo-Pwr R-To-R Output 12-Bit Serial Input |
![]() Data Sheet |
![]()
|
|
||||||||||||
![]() |
![]() DAC7513E/2K5G4 |
![]() Texas Instruments |
![]() DAC (D/A Converters) Lo-Pwr R-To-R Output 12-Bit Serial Input |
![]() Data Sheet |
![]()
|
|
||||||||||||
(Hong Kong)









