Product Summary
The BD5445EFV-E2 is a Analog input type Class D Speaker Amplifier. The BD5445EFV-E2 is designed for Flat-panel TVs in particular for space-saving and low-power consumption, delivers an output power of 17W+17W. The BD5445EFV-E2 employs state-of-the-art Bipolar, CMOS, and DMOS (BCD) process technology that eliminates turn-on resistance in the output power stage and internal loss due to line resistances up to an ultimate level. With this technology, the BD5445EFV-E2 can achieve high efficiency of 91% (10W+10W output with 8Ω load).In addition, the BD5445EFV-E2 is packaged in a compact reverse heat radiation type power package to achieve low power consumption and low heat generation and eliminates necessity of external heat-sink up to a total output power of 34W. This product satisfies both needs for drastic downsizing, low-profile structures and powerful, high-quality playback of sound system. Applications are Flat Panel TVs (LCD, Plasma), Home Audio, Desktop PC, Amusement equipments, Electronic Music equipments, etc.
Parametrics
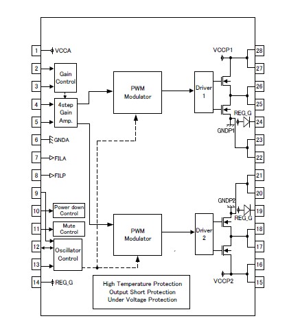
BD5445EFV-E2 features: (1)17W stereo single-ended outputs 34W mono bridge-tied-load output; (2)Wide supply voltage (From 10V to 27V); (3)Four selectable gain (14, 20, 26, 32dB); (4)Master / Slave function; (5)Soft-start and Soft-mute; (6)Low noise, Low distortion; (7)Various protection functions (High temperature, Output short, Under voltage); (8)Small power package (HTSSOP-B28).
Features
BD5445EFV-E2 absolute maximum ratings: (1)Supply voltage Vcc: 30 V; (2)Power dissipation Pd: 4.70 W; (3)Input voltage for signal VIN: -0.3 ~ 5.3 V; (4)Input voltage for control VCONT: -0.3 ~ Vcc + 0.3 V; (5)Input voltage for clock VOSC: -0.3 ~ 5.3 V Pin; (6)Operating temperature range Topr: -25 ~ +85 ℃; (7)Storage temperature range Tstg: -55 ~ +150 ℃; (8)Maximum junction temperature Tjmax: +150 ℃.
Diagrams

(Hong Kong)






