Product Summary
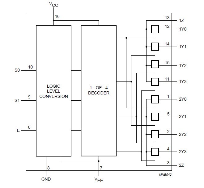
The 74HC4052D is a high-speed Si-gate CMOS device and is pin compatible with the HEF4052B. It is specified in compliance with JEDEC standard no. 7A. The device is dual 4-channel analog multiplexers or demultiplexers with common select logic. The applications of the 74HC4052D include: (1)Analog multiplexing and demultiplexing; (2)Digital multiplexing and demultiplexing; (3)Signal gating.
Parametrics
74HC4052D characteristics: (1)On the condition of VCC=2.0V, VIH HIGH-level input voltage: min=1.5V, typ=1.2V; On the condition of VCC=4.5V, VIH: min=3.15V, typ=2.4V; On the condition of VCC=6.0V, VIH: min=4.2V, typ=3.2V; On the condition of VCC=9.0V, VIH: min=6.3V, typ=4.7V; (2)On the condition of VCC=2.0V, VIL LOW-level input voltage: typ=0.8V, max=0.5V; (3)On the conditions of VI = VCC or GND, VCC=6.0V, VEE=0, ILI input leakage current: max=±1.0mA.
Features
74HC4052D features: (1)Wide analog input voltage range from -5 V to +5 V; (2)Logic level translation: to enable 5 V logic to communicate with ±5 V analog signals; (3)Typical break before make built in; (4)Complies with JEDEC standard no. 7A; (5)ESD protection: HBM EIA/JESD22-A114-B exceeds 2000 V; MM EIA/JESD22-A115-A exceeds 200 V.; (6)Specified from -40℃ to +85℃ and -40℃ to +125℃.
Diagrams

| Image | Part No | Mfg | Description |  | Pricing (USD) | Quantity | ||||||||||||
|---|---|---|---|---|---|---|---|---|---|---|---|---|---|---|---|---|---|---|
|  |  74HC4052D |  NXP Semiconductors |  Multiplexer Switch ICs DL 4CH ANLG MUX/DMUX |  Data Sheet |  Negotiable |  | ||||||||||||
|  |  74HC4052D,652 |  NXP Semiconductors |  Multiplexer Switch ICs DL 4CH ANLG MUX/DMUX |  Data Sheet |  
 |  | ||||||||||||
|  |  74HC4052DB,112 |  NXP Semiconductors |  Multiplexer Switch ICs DUAL 4-CH ANALOG |  Data Sheet |  
 |  | ||||||||||||
|  |  74HC4052DB,118 |  NXP Semiconductors |  Multiplexer Switch ICs DUAL 4-CH ANALOG |  Data Sheet |  
 |  | ||||||||||||
|  |  74HC4052D,653 |  NXP Semiconductors |  Multiplexer Switch ICs DUAL 4-CHANNEL ANALOG MUX/DMUX |  Data Sheet |  
 |  | ||||||||||||
|  |  74HC4052DB |  NXP Semiconductors |  Multiplexer Switch ICs DUAL 4-CH ANALOG MUX/DEMU |  Data Sheet |  Negotiable |  | ||||||||||||
|  |  74HC4052DB-T |  NXP Semiconductors |  Multiplexer Switch ICs DUAL 4-CH ANALOG MUX/DEMU |  Data Sheet |  Negotiable |  | ||||||||||||
 (Hong Kong)
 (Hong Kong) 
                         
                        
 
                                    




