Product Summary
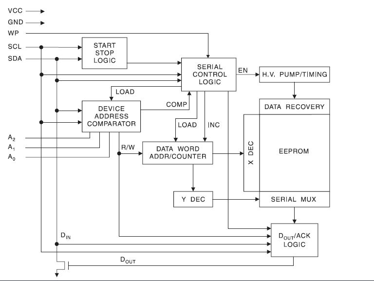
The AT24C01A-10PC2.7 is a Two-wire Serial EEPROM. The AT24C01A-10PC2.7 provides 1024 bits of serial electrically erasable and programmable read-only memory (EEPROM) organized as 128 words of 8 bits each. The AT24C01A-10PC2.7 is optimized for use in many industrial and commercial applications where low-power and low-voltage operation are essential. It is available in space-saving 8-lead PDIP package and is accessed via a Two-wire serial interface. In addition, the AT24C01A-10PC2.7 is available in 2.7V (2.7V to 5.5V) and 1.8V (1.8V to 5.5V) versions.
Parametrics
AT24C01A-10PC2.7 absolute maximum ratings: (1)Operating Temperature: –55℃ to +125℃; (2)Storage Temperature: –65℃ to +150℃; (3)Voltage on Any Pin with Respect to Ground: –1.0V to +7.0V; (4)Maximum Operating Voltage: 6.25V; (5) DC Output Current: 5.0mA.
Features
AT24C01A-10PC2.7 features: (1)Low-voltage and Standard-voltage Operation 2.7 (VCC = 2.7V to 5.5V), 1.8 (VCC = 1.8V to 5.5V); (2)Internally Organized 128 x 8 (1K), 256 x 8 (2K), 512 x 8 (4K),; (3)1024 x 8 (8K) or 2048 x 8 (16K); (4)Two-wire Serial Interface; (5)Schmitt Trigger, Filtered Inputs for Noise Suppression; (6)Bidirectional Data Transfer Protocol; (7)100 kHz (1.8V) and 400 kHz (2.7V, 5V) Compatibility; (8)Write Protect Pin for Hardware Data Protection; (9)8-byte Page (1K, 2K), 16-byte Page (4K, 8K, 16K) Write Modes; (10)Partial Page Writes Allowed; (11)Self-timed Write Cycle (5 ms max); (12)High-reliability; (13)Endurance: 1 Million Write Cycles; (14)Data Retention: 100 Years; (15)Automotive Grade and Lead-free/Halogen-free Devices Available; (16)8-lead PDIP, 8-lead JEDEC SOIC, 8-lead MAP, 5-lead SOT23, 8-lead TSSOP and 8-ball dBGA2 Packages; (17)Die Sales: Wafer Form, Waffle Pack and Bumped Wafers.
Diagrams

![]() |
![]() AT24C |
![]() Other |
![]() |
![]() Data Sheet |
![]() Negotiable |
|
||||
![]() |
![]() AT24C01-10PC-2.5 |
![]() Atmel |
![]() IC SEEPROM 1K 2.5V 8DIP |
![]() Data Sheet |
![]() Negotiable |
|
||||
![]() |
![]() AT24C01-10PC-2.7 |
![]() Atmel |
![]() IC SEEPROM 1K 2.7V 8DIP |
![]() Data Sheet |
![]() Negotiable |
|
||||
![]() |
![]() AT24C01-10PI |
![]() Atmel |
![]() IC SEEPROM 1K 8DIP |
![]() Data Sheet |
![]() Negotiable |
|
||||
![]() |
![]() AT24C01-10PI-1.8 |
![]() |
![]() IC EEPROM 1KBIT 400KHZ 8DIP |
![]() Data Sheet |
![]() Negotiable |
|
||||
![]() |
![]() AT24C01-10PI-2.5 |
![]() Atmel |
![]() IC SEEPROM 1K 2.5V 8DIP |
![]() Data Sheet |
![]() Negotiable |
|
||||
(Hong Kong)










