Product Summary
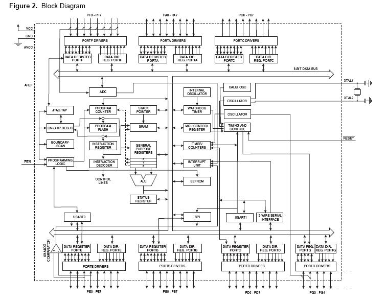
The ATMEGA64-46AU is a low-power CMOS 8-bit microcontroller based on the AVR enhanced RISC architecture. By executing powerful instructions in a single clock cycle, the ATMEGA64-46AU achieves throughputs approaching 1 MIPS per MHz, allowing the system designer to optimize power consumption versus processing speed. The AVR core of the ATMEGA64-46AU combines a rich instruction set with 32 general purpose working registers. All the 32 registers are directly connected to the Arithmetic Logic Unit (ALU), allowing two independent registers to be accessed in one single instruction executed in one clock cycle. The resulting architecture is more code efficient while achieving throughputs up to ten times faster than conventional CISC microcontrollers.
Parametrics
ATMEGA64-46AU absolute maximum ratings: (1)Operating Temperature: -55℃ to +125℃; (2)Storage Temperature: -65℃ to +150℃; (3)Voltage on any Pin except RESET with respect to Ground: -0.5V to VCC+0.5V; (4) Voltage on RESET with respect to Ground: -0.5V to +13.0V; (5)Maximum Operating Voltage: 6.0V; (6)DC Current per I/O Pin: 40.0mA; (7)DC Current VCC and GND Pins: 200.0 to 400.0mA.
Features
ATMEGA64-46AU features: (1)High-performance, Low-power Atmel AVR 8-bit Microcontroller; (2)Advanced RISC Architecture; (3)High Endurance Non-volatile Memory segments; (4)JTAG (IEEE std. 1149.1 Compliant) Interface; (5)Two 8-bit Timer/Counters with Separate Prescalers and Compare Modes; (6)Two Expanded 16-bit Timer/Counters with Separate Prescaler, Compare Mode, and Capture Mode; (7)Real Time Counter with Separate Oscillator; (8)Power-on Reset and Programmable Brown-out Detection; (9)Internal Calibrated RC Oscillator; (10)External and Internal Interrupt Sources; (11)Six Sleep Modes: Idle, ADC Noise Reduction, Power-save, Power-down, Standby and Extended Standby; (12)Software Selectable Clock Frequency; (13)ATmega103 Compatibility Mode Selected by a Fuse; (14)Global Pull-up Disable Two 8-bit PWM Channels; (15)53 Programmable I/O Lines; (16)64-lead TQFP and 64-pad QFN/MLF; (17)2.7V to 5.5V for Atmel ATmega64L; (18)4.5V to 5.5V for Atmel ATmega64; (19)0 to 8 MHz for ATmega64L; (20)0 to 16 MHz for ATmega64.
Diagrams

![]() |
![]() ATMEG163POD |
![]() |
![]() IC AVR MCU ICE30 40PIN MEGAAVR |
![]() Data Sheet |
![]() Negotiable |
|
||||
![]() |
![]() ATmega103 |
![]() Other |
![]() |
![]() Data Sheet |
![]() Negotiable |
|
||||
![]() |
![]() ATMEGA103-6AC |
![]() Atmel |
![]() 8-bit Microcontrollers (MCU) TQFP-64 128K FLASH 5 |
![]() Data Sheet |
![]() Negotiable |
|
||||
![]() |
![]() ATMEGA103-6AI |
![]() |
![]() IC MCU 128K 6MHZ A/D IT 64TQFP |
![]() Data Sheet |
![]() Negotiable |
|
||||
![]() |
![]() ATMEGA103-6AU |
![]() Other |
![]() |
![]() Data Sheet |
![]() Negotiable |
|
||||
![]() |
![]() ATmega103L |
![]() Other |
![]() |
![]() Data Sheet |
![]() Negotiable |
|
||||
(Hong Kong)










