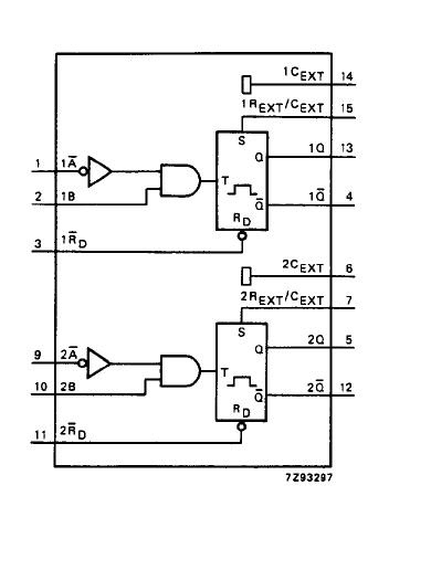
Product Summary
The 74HC221N is a high-speed Si-gate CMOS device and are pin compatible with low power Schottky TTL (LSTTL). The 74HC221N is specified in compliance with JEDEC standard no. 7A. The 74HC221N is a dual non-retriggerable monostable multivibrator. It features an active LOW-going edge input (nA) and an active HIGH-going edge input (nB), either of which can be used as an enable input.
Parametrics
74HC221N absolute maximum ratings: (1) propagation delay (CL = 15pF; VCC = 5V ;) tPHL: 29ns for HC, 32ns for HCT; (2) propagation delay (CL = 15pF; VCC = 5V ;) tPLH: 35ns for HC, 36ns for HCT; (3) input capacitance: 3.5pF; (4) power dissipation capacitance per package: 90pF for HC, 96pF for HCT.
Features
74HC221N features: (1)Pulse width variance is typically less than ±5%; (2)Pin-out identical to “123”; (3)Overriding reset terminates output pulse; (4)nB inputs have hysteresis for improved noise immunity; (5)Output capability: standard (except for nREXT/CEXT); (6)ICC category: MSI.
Diagrams

| Image | Part No | Mfg | Description |  | Pricing (USD) | Quantity | ||||||||||||
|---|---|---|---|---|---|---|---|---|---|---|---|---|---|---|---|---|---|---|
|  |  74HC221N |  NXP Semiconductors |  Monostable Multivibrator DUAL MONOSTABLE MULTIVIBRATOR |  Data Sheet |  Negotiable |  | ||||||||||||
|  |  74HC221N,652 |  NXP Semiconductors |  Monostable Multivibrator DUAL MONOSTABLE |  Data Sheet |  
 |  | ||||||||||||
 (Hong Kong)
 (Hong Kong) 
                         
                        
 
                                    



