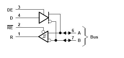
Product Summary
The 75176 is a differential bus transceiver. It is designed for bidirectional data communication on multipoint bus transmission lines. The 75176 is designed for balanced transmission lines and meet ANSI Standards TIA/EIA-422-B and TIA/EIA-485-A and ITU Recommendations V.11 and X.27. The 75176 combines a 3-state differential line driver and a differential input line receiver, both of which operate from a single 5-V power supply. The driver and receiver have active-high and active-low enables, respectively, that can be connected together externally to function as a direction control. The driver differential outputs and the receiver differential inputs are connected internally to form differential input/output (I/O) bus ports that are designed to offer minimum loading to the bus when the driver is disabled or VCC = 0. These ports feature wide positive and negative common-mode voltage ranges, making the device suitable for party-line applications.
Parametrics
75176 absolute maximum ratings: (1)Supply voltage, VCC (see Note 1): 7V; (2)Voltage range at any bus terminal:–10 V to 15V; (3)Enable input voltage, VI: 5.5V; (4)Operating virtual junction temperature, TJ: 150℃; (5)Package thermal impedance, θJA (see Notes 2 and 3): D package: 97℃/W; (6)P package: 85℃/W; (7)PS package: 95℃/W; (8)Lead temperature 1,6 mm (1/16 inch) from case for 10 seconds: 260℃; (9)Storage temperature range, Tstg:–65℃ to 150℃.
Features
75176 features: (1)Bidirectional Transceivers; (2)Meet or Exceed the Requirements of ANSI Standards TIA/EIA-422-B and TIA/EIA-485-A and ITU Recommendations V.11 and X.27; (3)Designed for Multipoint Transmission on Long Bus Lines in Noisy Environments; (4)3-State Driver and Receiver Outputs; (5)Individual Driver and Receiver Enables; (6)Wide Positive and Negative Input/Output Bus Voltage Ranges; (7)Driver Output Capability ±60mA Max; (8)Thermal Shutdown Protection; (9)Driver Positive and Negative Current Limiting; (10)Receiver Input Impedance 12kΩ Min; (11)Receiver Input Sensitivity ±200 mV; (12)Receiver Input Hysteresis 50mV Typ; (13)Operate From Single 5-V Supply.
Diagrams

![]() |
![]() 7517 |
![]() Other |
![]() |
![]() Data Sheet |
![]() Negotiable |
|
||||
(Hong Kong)








