Product Summary
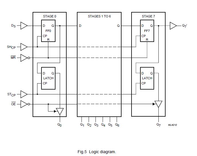
The 74HC595PW is a high-speed Si-gate CMOS device. It is pin compatible with low power Schottky TTL (LSTTL). The 74HC595PW is specified in compliance with JEDEC standard no. 7A. The shift register has a serial input (DS) and a serial standard output (Q7’) for cascading. The 74HC595PW is also provided with asynchronous reset (active LOW) for all 8 shift register stages. The 74HC595PW has 8 parallel 3-state bus driver outputs. Data in the storage register appears at the output whenever the output enable input (OE) is LOW. The applications of the device include serial-to-parallel data conversion and remote control holding register.
Parametrics
74HC595PW absolute maximum ratings: (1)tPHL/tPLH, propagation delay at CL=15PF; VCC=5V: SHCP to Q7’: 16ns; STCP to Qn: 17ns; MR to Q7: 14 ns; (2)fmax, maximum clock frequency SHCP, STCP: 100MHz; (3)CI, input capacitance: 3.5pF; (4)CPD, power dissipation capacitance per package: 115pF.
Features
74HC595PW features: (1)8-bit serial input; (2)8-bit serial or parallel output; (3)Storage register with 3-state outputs; (4)Shift register with direct clear; (5)100 MHz (typ) shift out frequency; (6)Output capability: parallel outputs; bus driver; serial output; standard; (7)ICC category: MSI.
Diagrams

| Image | Part No | Mfg | Description | ![]() |
Pricing (USD) |
Quantity | ||||||||||||
|---|---|---|---|---|---|---|---|---|---|---|---|---|---|---|---|---|---|---|
![]() |
![]() 74HC595PW |
![]() NXP Semiconductors |
![]() Counter Shift Registers 8-BIT SHIFT REG W/OUTPUT LATCH |
![]() Data Sheet |
![]() Negotiable |
|
||||||||||||
![]() |
![]() 74HC595PW,112 |
![]() NXP Semiconductors |
![]() Counter Shift Registers 8-BIT SHIFT REG |
![]() Data Sheet |
![]()
|
|
||||||||||||
![]() |
![]() 74HC595PW,118 |
![]() NXP Semiconductors |
![]() Counter Shift Registers 8BIT SHIFT REGISTER W/OUTPUT LATCH |
![]() Data Sheet |
![]()
|
|
||||||||||||
(Hong Kong)









