Product Summary
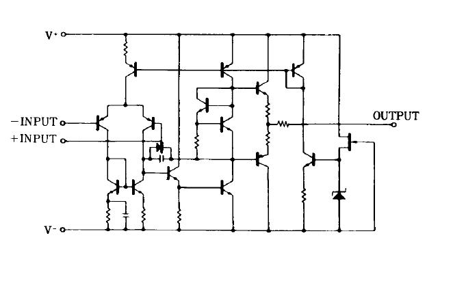
The 4558D is a dual operational amplifier. The 4558D internally compensated and constructed on a single silicon chip using an advanced epitaxial process. Combining the features of the NJM741 with the close parameter matching and tracking of a dual device on a monolithic chip results in unique performance characteristics. Excellent channel separation allows the use of the dual device in single NJM741 operational amplifier applications providing density. The 4558D is especially well suited for applications in differential-in, defferential-out as well as in potentiometric amplifiers and where gain and phase matched channels are mandatory.
Parametrics
4558D absolute maximum ratings: (1)Supply Voltage V+/V-: ±18V; (2)Differential Input Voltage VID: ±30V; (3)Input Voltage VIC: ±15V ( note ); (4)Power Dissipation PD (DIP8): 500mW; (5)Power Dissipation PD (DMP8): 300mW; (6)Power Dissipation PD (SSOP8): 250mW; (7)Power Dissipation PD (SIP8): 800mW; (8)Operating Temperature Range Topr: -40 to +85℃; (9)Storage Temperature Range Tstg: -40 to +125℃.
Features
4558D features: (1)Operating Voltage ( ±4V to ±18V ); (2)High Voltage Gain ( 100dB typ. ); (3)High Input Resistance ( 5MΩ typ. ); (4)Package Outline DIP8,DMP8,SIP8,SSOP8; (5)Bipolar Technology.
Diagrams

![]() |
![]() 455822-1 |
![]() TE Connectivity / AMP |
![]() Hand Tools EXTRACTION TOOL |
![]() Data Sheet |
![]()
|
|
||||||||
![]() |
![]() 455822-2 |
![]() TE Connectivity / AMP |
![]() Hand Tools PIN EXTRACTION TOOL |
![]() Data Sheet |
![]() Negotiable |
|
||||||||
![]() |
![]() 455825-1 |
![]() TE Connectivity |
![]() Hand Tools ANVIL |
![]() Data Sheet |
![]()
|
|
||||||||
![]() |
![]() 455830-1 |
![]() TE Connectivity / AMP |
![]() Hand Tools INSERTION TOOL |
![]() Data Sheet |
![]()
|
|
||||||||
![]() |
![]() 455838-1 |
![]() TE Connectivity |
![]() Hand Tools ANVIL INSERT |
![]() Data Sheet |
![]()
|
|
||||||||
![]() |
![]() 455838-2 |
![]() TE Connectivity |
![]() Hand Tools ANVIL INSERT |
![]() Data Sheet |
![]()
|
|
||||||||
(Hong Kong)











