Product Summary
The RM150DZ-2H is a mitsubishi diode module. It is used for AC motor controllers, DC motor controllers, Battery DC power supplies, DC power supplies for control panels, and other general DC power equipment.
Parametrics
RM150DZ-2H absolute maximum ratings: (1)RMS forward current: 235A; (2)Average forward current: 150A; (3)Surge (non-repetitive)forward current: 3500A; (4)I2t for fusing: 5.1*104A2s; (5)Maximum operating frequency: 1000Hz; (6)Junction temperature: -40 to +150°C; (7)Storage temperature: -40 to +125°C; (8)Isolation voltage: 2500V.
Features
RM150DZ-2H features: (1)IF(AV)Average forward current: 150A; (2)VRRM Repetitive peak reverse voltage: 400/800/1200/1600V; (3)DOUBLE ARMS; (4)Insulated Type; (5)UL Recognized Yellow Card No. E80276 (N)File No. E80271.
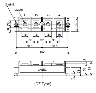
Diagrams

| Image | Part No | Mfg | Description |  | Pricing (USD) | Quantity | ||||
|---|---|---|---|---|---|---|---|---|---|---|
|  |  RM150DZ-2H |  Other |  |  Data Sheet |  Negotiable |  | ||||
| Image | Part No | Mfg | Description |  | Pricing (USD) | Quantity | ||||
|  |  RM1502 |  TE Connectivity / Alcoswitch |  Pushbutton Switches 22mm IL MOM MRM RED |  Data Sheet |  Negotiable |  | ||||
|  |  RM150CZ-24 |  Other |  |  Data Sheet |  Negotiable |  | ||||
|  |  RM150CZ-2H |  Other |  |  Data Sheet |  Negotiable |  | ||||
|  |  RM150CZ-H |  Other |  |  Data Sheet |  Negotiable |  | ||||
|  |  RM150CZ-M |  Other |  |  Data Sheet |  Negotiable |  | ||||
|  |  RM150DZ-24 |  Other |  |  Data Sheet |  Negotiable |  | ||||
 (Hong Kong)
 (Hong Kong) 
                         
                        
 
                                    




