Product Summary
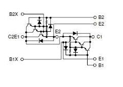
The QCA100BA60 is a dual Darlington power transistor module which has series-connected ULTRA HIGH hFE, high speed, high power Darlington transistors. The QCA100BA60 has a reverse paralleled fast recovery diode (trr: 200ns). The mounting base of the module is electrically isolated from Semiconductor elements for simple heatsink construction.
Parametrics
QCA100BA60 absolute maximum ratings: (1)VCBO, Collector-Base Voltage: 600 V; (2)VCEX, Collector-Emitter Voltage: 600 V when VBE=-2V; (3)VEBO, Emitter-Base Voltage: 10 V; (4)IC, Collector Current: 100 (200) A when pw≤1ms; (5)-IC, Reverse Collector Current: 100 A; (6)IB, Base Current: 6 A; (7)PT, Total power dissipation: 620 W when TC=25℃; (8)Tj, Junction Temperature: -40 to +150℃; (9)Tstg, Storage Temperature: -40 to +125℃; (10)VISO, Isolation Voltage: 2500 V when A.C.1minute; (11)Mounting Torque, Mounting (M5): 2.7(28) N·m(kgf·cm) when Recommended Value 1.5-2.5 (15-25); Terminal (M5): 2.7(28) N·m(kgf·cm) when Recommended Value 1.5-2.5 (15-25); (12)Mass, Typical Value: 360g.
Features
QCA100BA60 features: (1)IC=100A, VCEX=600V; (2)Low saturation voltage for higher efficiency; (3)ULTRA HIGH DC current gain hFE. hFE≥750; (4)Isolated mounting base; (5)VEBO 10V for faster switching speed.
Diagrams

| Image | Part No | Mfg | Description |  | Pricing (USD) | Quantity | ||||
|---|---|---|---|---|---|---|---|---|---|---|
|  |  QCA100BA60 |  Other |  |  Data Sheet |  Negotiable |  | ||||
| Image | Part No | Mfg | Description |  | Pricing (USD) | Quantity | ||||
|  |  QCA100A |  Other |  |  Data Sheet |  Negotiable |  | ||||
|  |  QCA100A40 |  Other |  |  Data Sheet |  Negotiable |  | ||||
|  |  QCA100A60 |  Other |  |  Data Sheet |  Negotiable |  | ||||
|  |  QCA100AA100 |  Other |  |  Data Sheet |  Negotiable |  | ||||
|  |  QCA100AA120 |  Other |  |  Data Sheet |  Negotiable |  | ||||
|  |  QCA100BA60 |  Other |  |  Data Sheet |  Negotiable |  | ||||
 (Hong Kong)
 (Hong Kong) 
                         
                        
 
                                    




