Product Summary
The QM300HA-24 is a high power switching use insulated type module. The applications of the QM300HA-24 include AC motor controllers, UPS, CVCF, DC motor controllers, NC equipment, Welders.
Parametrics
QM300HA-24 absolute maximum ratings: (1)Collector-emitter voltage, VCEX (SUS): 1200V; (2)Collector-emitter voltage, VCEX: 1200V; (3)Collector-base voltage, VCBO: 1200V; (4)Emitter-base voltage, VEBO: 7V; (5)Collector current, IC: 300A; (6)Collector reverse current, -IC: 300A; (7)Collector dissipation, PC: 1980W; (8)Base current, IB: 16A; (9)Surge collector reverse current (forward diode current), -ICSM: 3000A; (10)Junction temperature, Tj: -40 to +150℃; (11)Storage temperature, Tstg: -40 to +125℃; (12)Isolation voltage, Viso: 2500V.
Features
QM300HA-24 features: (1)IC Collector current: 300A; (2)VCEX Collector-emitter voltage: 1200V; (3)hFE DC current gain: 750; (4)Insulated Type; (5)UL Recognized, Yellow Card No. E80276 (N); File No. E80271.
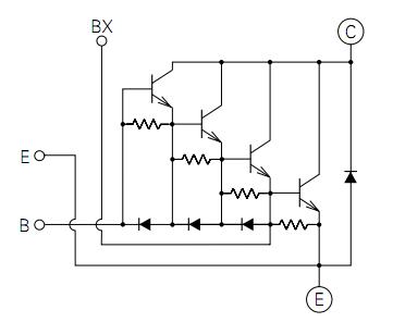
Diagrams

| Image | Part No | Mfg | Description | ![]() |
Pricing (USD) |
Quantity | ||||
|---|---|---|---|---|---|---|---|---|---|---|
![]() |
![]() QM300HA-24 |
![]() Other |
![]() |
![]() Data Sheet |
![]() Negotiable |
|
||||
![]() |
![]() QM300HA-24B |
![]() Other |
![]() |
![]() Data Sheet |
![]() Negotiable |
|
||||
(Hong Kong)









