Product Summary
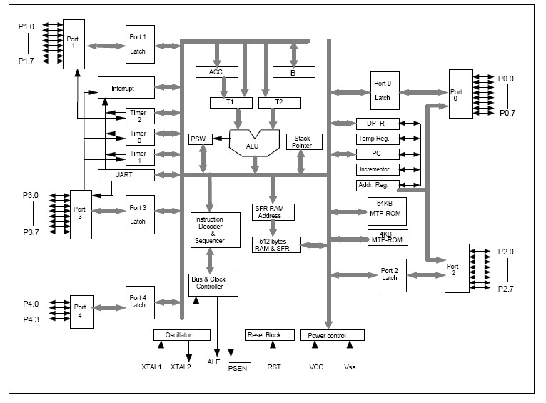
The W78E516B-40 is an 8-bit microcontroller which has an in-system programmable MTP-ROM for firmware updating. The instruction set of the W78E516B-40 is fully compatible with the standard 8052. The W78E516B-40 contains a 64K bytes of main MTP-ROM and a 4K bytes of auxiliary MTP-ROM which allows the contents of the 64KB main MTP-ROM to be updated by the loader program located at the 4KB auxiliary MTP-ROM; 512 bytes of on-chip RAM; four 8-bit bi-directional and bit addressable I/O ports; an additional 4-bit port P4; three 16-bit timer/counters; a serial port. These peripherals are supported by a eight sources two-level interrupt capability. To facilitate programming and verification, the MTP-ROM inside the W78E516B-40 allows the program memory to be programmed and read electronically. Once the code is confirmed, the user can protect the code for security.
Parametrics
W78E516B-40 absolute maximum ratings: (1)DC Power Supply VDD-VSS: -0.3V to +6.0 V; (2)Input Voltage VIN VSS: -0.3V to VDD +0.3 V; (3)Operating Temperature TA: 0℃ to 70℃; (4)Storage Temperature TST: -55℃ to +150℃.
Features
W78E516B-40 features: (1) Fully static design 8-bit CMOS microcontroller up to 40 MHz; (2)64K bytes of in-system programmable MTP-ROM for Application Program (APROM); (3)4K bytes of auxiliary MTP-ROM for Loader Program (LDROM).; (4)512 bytes of on-chip RAM. (including 256 bytes of AUX RAM, software selectable); (5)64K bytes program memory address space and 64K bytes data memory address space.; (6)Four 8-bit bi-directional ports.; (7)One 4-bit multipurpose programmable port.; (8)Three 16-bit timer/counters; (9)One full duplex serial port; (10)Six-sources, two-level interrupt capability; (11)Built-in power management; (12)Code protection; (13)Packaged in DIP 40: W78E516B-24/40, PLCC 44: W78E516BP-24/40.
Diagrams

![]() |
![]() W78E051B40DL |
![]() |
![]() IC MCU 8-BIT 4K FLASH 40-DIP |
![]() Data Sheet |
![]() Negotiable |
|
||||
![]() |
![]() W78E051B40FL |
![]() |
![]() IC MCU 8-BIT 4K FLASH 44-PQFP |
![]() Data Sheet |
![]() Negotiable |
|
||||
![]() |
![]() W78E051B40PL |
![]() |
![]() IC MCU 8-BIT 4K FLASH 44-PLCC |
![]() Data Sheet |
![]() Negotiable |
|
||||
![]() |
![]() W78E051C |
![]() Other |
![]() |
![]() Data Sheet |
![]() Negotiable |
|
||||
![]() |
![]() W78E051C40DL |
![]() |
![]() IC MCU 8-BIT 4K FLASH 40-DIP |
![]() Data Sheet |
![]() Negotiable |
|
||||
![]() |
![]() W78E051C40FL |
![]() |
![]() IC MCU 8-BIT 4K FLASH 44-PQFP |
![]() Data Sheet |
![]() Negotiable |
|
||||
(Hong Kong)








