Product Summary
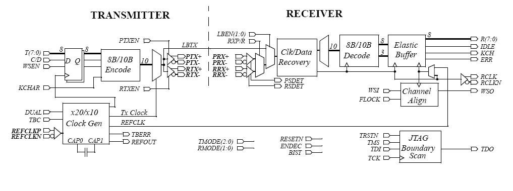
The VSC7212RG is an 8-bit parallel-to-serial and serial-to-parallel transceiver chip used for high bandwidth interconnection between busses, backplanes, or other subsystems. A Fibre Channel and Gigabit Ethernet compliant transceiver provides up to 2.18 Gb/s of duplex raw data transfer. The VSC7212RG can operate at a maximum data transfer rate of 1088Mb/s (8 bits at 136MHz) or a minimum rate of 784Mb/s (8 bits at 98MHz). The VSC7212RG contains an 8B/10B encoder, serializer, de-serializer, 8B/10B decoder and elastic buffer which provide the user with a simple interface for transferring data serially and recovering it on the receive side. The device can also be configured to operate as a non-encoded 10-bit transceiver with redundant I/O.
Parametrics
VSC7212RG absolute maximum ratings: (1)Power Supply Voltage (any VDDX): 0.5V to +3.8V; (2)PECL Differential Input Voltage: -0.5V to VDD +0.5V; (3)TTL Input Voltage: -0.5V to 5.5V; (4)TTL Output Voltage: -0.5V to VDD + 0.5V; (5)TTL Output Current: 50mA; (6)PECL Output Current: 50mA; (7)Case Temperature Under Bias (TC): -55℃ to +125℃; (8)Storage Temperature (TSTG): -65℃ to +150℃.
Features
VSC7212RG features: (1)ANSI X3T11 Compliant Fibre Channel and IEEE 802.3z Compliant Gigabit Ethernet Transceiver; (2)Over 2Gb/s Duplex Raw Data Rate; (3)Redundant PECL Tx Outputs and Rx Inputs; (4)8B/10B Encoder/Decoder, Optional Encoder/ Decoder Bypass Operation; (5)"ASIC-Friendly" Timing Options for Transmitter Parallel Input Data; (6)Elastic Buffer for Chip-to-Chip Cable Deskewing; (7)Tx/Rx Rate Matching via IDLE Insertion/Deletion; (8)Compatible with VSC7211, VSC7214 and VSC7216; (9)Received Data Aligned to Local REFCLK or to Recovered Clock; (10)PECL Rx Signal Detect and Cable Equalization; (11)Serial Tx-to-Rx and Parallel Rx-to-Tx Internal Loopback Modes; (12)Clock Multiplier Generates Baud Rate Clock; (13)Automatic Lock-to-Reference; (14)JTAG Boundary Scan Support for TTL I/O; (15)Built-In Self Test; (16)3.3V Supply, 1.0 W; (17)100-pin, 14mm TQFP package.
Diagrams

(Hong Kong)






