Product Summary
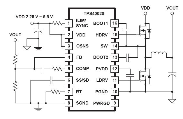
The TPS40020PWP is a dc-to-dc controller. It is designed for non-isolated synchronous buck regulators, providing enhanced operation and design flexability through user programmability. The TPS40020PWP utilizes a proprietary Predictive Gate Drive technology to minimize the diode conduction losses associated with the high-side and synchronous rectifier N-channel MOSFET transistions. The applications of the TPS40020PWP include Networking Equipment, Telecom Equipment, Base Stations, Servers, DSP Power.
Parametrics
TPS40020PWP absolute maximum ratings: (1)SS/SD, VDD, PVDD, OSNS: -0.3 to 6V; (2)BOOT2, BOOT1 VSW: + 6V; (3)SW: -3.0 to 10.5V; (4)SWT (SW transient < 50 ns): -5V; (5)FB, ILIM: -0.3 to 6.0V; (6)Output voltage range, VOUT COMP, PWRGD, RT: -0.3 to 6V; (7)Sink current, IS PWRGD: 10mA; (8)Operating virtual junction temperature range, TJ: -40 to 125℃; (9)Storage temperature, Tstg: -55 to 150℃; (10)Lead temperature 1,6 mm (1/16 inch) from case for 10 seconds: 260℃.
Features
TPS40020PWP features: (1)Operating Input Voltage 2.25 V to 5.5 V; (2)Output Voltage as Low as 0.7 V; (3)1% Internal 0.7 V Reference; (4)Predictive Gate Drive N-Channel MOSFET Drivers for Higher Efficiency; (5)Externally Adjustable Soft-Start and Short Circuit Current Limit; (6)Programmable Fixed-Frequency 100 KHz-to-1 MHz Voltage-Mode Control; (7)Source-Only Current or Source/Sink Current; (8)Quick Response Output Transient Comparators with Power Good Indication Provide Output Status; (9)16-Pin PowerPAD Package.
Diagrams

| Image | Part No | Mfg | Description | ![]() |
Pricing (USD) |
Quantity | ||||||||||||
|---|---|---|---|---|---|---|---|---|---|---|---|---|---|---|---|---|---|---|
![]() |
![]() TPS40020PWP |
![]() Texas Instruments |
![]() DC/DC Switching Controllers Enhanced Low Input |
![]() Data Sheet |
![]()
|
|
||||||||||||
![]() |
![]() TPS40020PWP_1059477 |
![]() Other |
![]() |
![]() Data Sheet |
![]() Negotiable |
|
||||||||||||
![]() |
![]() TPS40020PWPG4 |
![]() Texas Instruments |
![]() DC/DC Switching Controllers Enh Lo Input Freq Sync. Buck Cntrlr |
![]() Data Sheet |
![]()
|
|
||||||||||||
![]() |
![]() TPS40020PWPR |
![]() Texas Instruments |
![]() DC/DC Switching Controllers Enh Lo Input Freq Sync. Buck Cntrlr |
![]() Data Sheet |
![]()
|
|
||||||||||||
![]() |
![]() TPS40020PWPRG4 |
![]() Texas Instruments |
![]() DC/DC Switching Controllers Enh Lo Input Freq Sync. Buck Cntrlr |
![]() Data Sheet |
![]()
|
|
||||||||||||
(Hong Kong)










