Product Summary
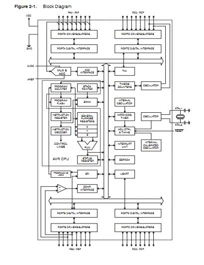
The ATMEGA16A-AU is a low-power CMOS 8-bit microcontroller based on the AVR enhanced RISC architecture. By executing powerful instructions in a single clock cycle, the ATMEGA16A-AU achieves throughputs approaching 1 MIPS per MHz allowing the system designer to optimize power consumption versus processing speed. The ATMEGA16A-AU combines a rich instruction set with 32 general purpose working registers. All the 32 registers are directly connected to the Arithmetic Logic Unit (ALU), allowing two independent registers to be accessed in one single instruction executed in one clock cycle. The resulting architecture is more code efficient while achieving throughputs up to ten times faster than conventional CISC microcontrollers.
Parametrics
ATMEGA16A-AU absolute maximum ratings: (1)Operating Temperature: -55 to +125℃; (2)Storage Temperature: -65 to +150℃; (3)Voltage on any Pin except RESET; (4) with respect to Ground: -0.5V to VCC+0.5V; (5) Voltage on RESET with respect to Ground: -0.5V to +13.0V; (6) Maximum Operating Voltage: 6.0V; (7) DC Current per I/O Pin: 40.0mA; (8) DC Current VCC and GND Pins: 200.0mA PDIP and 400.0mA TQFP/MLF.
Features
ATMEGA16A-AU features: (1)High-performance, Low-power AVR 8-bit Microcontroller; (2)Advanced RISC Architecture; (3)131 Powerful Instructions – Most Single-clock Cycle Execution; (4)32 x 8 General Purpose Working Registers; (5)Fully Static Operation; (6)Up to 16 MIPS Throughput at 16 MHz; (7)On-chip 2-cycle Multiplier; (8)High Endurance Non-volatile Memory segments; (9)16K Bytes of In-System Self-programmable Flash program memory; (10)512 Bytes EEPROM; (11)1K Byte Internal SRAM; (12)Write/Erase Cycles: 10,000 Flash/100,000 EEPROM; (13)Data retention: 20 years at 85℃/100 years at 25℃; (14)Optional Boot Code Section with Independent Lock Bits; (15)In-System Programming by On-chip Boot Program; (16)True Read-While-Write Operation; (17)Programming Lock for Software Security.
Diagrams

| Image | Part No | Mfg | Description | ![]() |
Pricing (USD) |
Quantity | ||||||||||||
|---|---|---|---|---|---|---|---|---|---|---|---|---|---|---|---|---|---|---|
![]() |
![]() ATMEGA16A-AU |
![]() Atmel |
![]() 8-bit Microcontrollers (MCU) 16KB In-system Flash 2.7V - 5.5V |
![]() Data Sheet |
![]()
|
|
||||||||||||
![]() |
![]() ATMEGA16A-AUR |
![]() Atmel |
![]() 8-bit Microcontrollers (MCU) AVR LCD 16KB FLSH EE 512B 1KB SRAM-16MHZ |
![]() Data Sheet |
![]()
|
|
||||||||||||
(Hong Kong)










