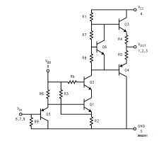
Product Summary
The LM244DR is an integrated high voltage CRT driver circuit designed for use in color monitor applications. The IC contains three high input impedance wide band amplifiers which directly drive the RGB cathodes of a CRT. Each channel of the LM244DR has its gain internally set to -20 and can drive CRT capacitive loads as well as resistive loads present in other applications, limited only by the package’s power dissipation. The LM244DR is used in 1024 × 768 displays up to 85 Hz refresh, Pixel clock frequencies up to 95 MHz, Monitors using video blanking.
Parametrics
LM244DR absolute maximum ratings: (1)Supply Voltage (VCC): +90V; (2)Bias Voltage (VBB): +16V; (3)Input Voltage (VIN): 0V to 4.5V; (4)Storage Temperature Range (TSTG): -65℃ to +150℃; (5)Lead Temperature (Soldering, <10 sec.): 300℃; (6) ESD Tolerance, Human Body Model: 2 kV; (7)Machine Model: 250V.
Features
LM244DR features: (1)Higher gain to match LM126X CMOS preamplifiers; (2)0V to 3.75V input range; (3)Stable with 0–20 pF capacitive loads and inductive peaking networks; (4)Convenient TO-220 staggered lead package style; (5)Maintains standard LM243X Family pinout which is designed for easy PCB layout.
Diagrams

![]() |
![]() LM2402 |
![]() Other |
![]() |
![]() Data Sheet |
![]() Negotiable |
|
||||
![]() |
![]() LM2402T |
![]() |
![]() IC DRIVER MONOLITHIC TO-220-11 |
![]() Data Sheet |
![]() Negotiable |
|
||||
![]() |
![]() LM2403 |
![]() Other |
![]() |
![]() Data Sheet |
![]() Negotiable |
|
||||
![]() |
![]() LM2405 |
![]() Other |
![]() |
![]() Data Sheet |
![]() Negotiable |
|
||||
![]() |
![]() LM2405T |
![]() |
![]() IC DRIVER MONOLITHIC TO-220-11 |
![]() Data Sheet |
![]() Negotiable |
|
||||
![]() |
![]() LM2406 |
![]() Other |
![]() |
![]() Data Sheet |
![]() Negotiable |
|
||||
(Hong Kong)









