Product Summary
The L78L05ACU is a three-terminal positive regulator. If adequate heat-sink is provided, it can deliver up to 100mA output current. The L78L05ACU is intended as fixed voltage regulators in a wide range of applications including local or oncard regulation for elimination of noise and distribution problems associated with single-point regulation. In addition, they can be used with power pass elements to make high-current voltage regulators. The L78L05ACU used as Zener diode/resistor combination replacement, offers an effective output impedance improvement of typically two orders of magnitude, along with lower quiescent current and lower noise.
Parametrics
L78L05ACU absolute maximum ratings: (1)VO, Output voltage at TJ = 25℃: 3.036 to 3.564 V, 3.3V typ; (2)VO Output voltage: 2.97 to 3.63V at IO = 1 to 40mA, VI = 5.3 to 20 V; 2.97 to 3.63V at IO = 1 to 70mA, VI = 8.3 V; (3)ΔVO, Line regulation: 150mV max at VI = 5.3 to 20 V, TJ = 25℃; 100mV max at VI = 6.3 to 20 V, TJ = 25℃; (4)ΔVO, Load regulation: 60mV max at IO = 1 to 100mA, TJ = 25℃; 30mV max at IO = 1 to 40mA, TJ = 25℃; (5)Id, Quiescent current: 6mA max at TJ = 25℃; 5.5mA max at TJ = 125℃ ; (6)ΔId, Quiescent current change: 0.2mA max at IO = 1 to 40mA; 1.5mA max at VI = 6.3 to 20 V; (7)eN, Output noise voltage: 40μV typ at B =10Hz to 100KHz, TJ = 25℃ ; (8)SVR, Supply voltage rejection: 40dB min, 49dB typ at VI = 6.3 to 16.3 V, f = 120Hz, IO = 40mA, TJ = 25℃; (9)Vd, Dropout voltage: 1.7V.
Features
L78L05ACU features: (1)Output current up to 100 mA; (2)Output voltages of 3.3; 5; 6; 8; 9; 12; 15; 18;24V; (3)Thermal overload protection; (4)Short circuit protection; (5)No external components are required; (6)Available in either ±5% (AC) or ±10% (C) selection.
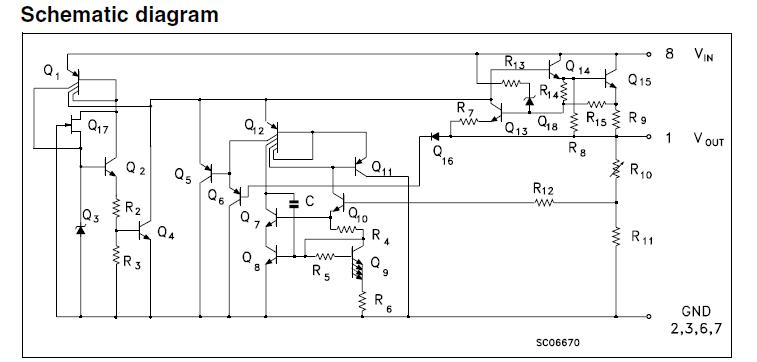
Diagrams

| Image | Part No | Mfg | Description | ![]() |
Pricing (USD) |
Quantity | ||||||||||||
|---|---|---|---|---|---|---|---|---|---|---|---|---|---|---|---|---|---|---|
![]() |
![]() L78L05ACUTR |
![]() STMicroelectronics |
![]() Linear Regulators - Standard 5.0V 0.1A Positive |
![]() Data Sheet |
![]()
|
|
||||||||||||
| Image | Part No | Mfg | Description | ![]() |
Pricing (USD) |
Quantity | ||||||||||||
![]() |
![]() L78L00 |
![]() Other |
![]() |
![]() Data Sheet |
![]() Negotiable |
|
||||||||||||
![]() |
![]() L78L05 |
![]() Other |
![]() |
![]() Data Sheet |
![]() Negotiable |
|
||||||||||||
![]() |
![]() L78L05ABD |
![]() STMicroelectronics |
![]() Linear Regulators - Standard 5.0V 0.1A Positive |
![]() Data Sheet |
![]() Negotiable |
|
||||||||||||
![]() |
![]() L78L05ABD13TR |
![]() STMicroelectronics |
![]() Linear Regulators - Standard 5.0V 0.1A Positive |
![]() Data Sheet |
![]()
|
|
||||||||||||
![]() |
![]() L78L05ABUTR |
![]() STMicroelectronics |
![]() Linear Regulators - Standard 5.0V 0.1A Positive |
![]() Data Sheet |
![]()
|
|
||||||||||||
![]() |
![]() L78L05ABZ |
![]() STMicroelectronics |
![]() Linear Regulators - Standard 5.0V 0.1A Positive |
![]() Data Sheet |
![]()
|
|
||||||||||||
(Hong Kong)










