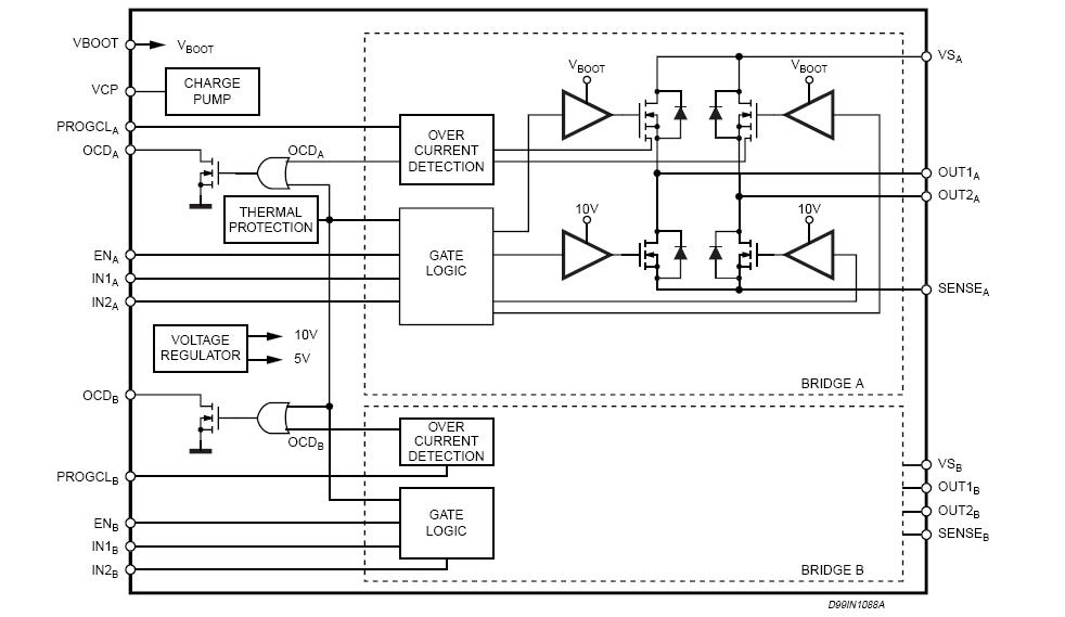
Product Summary
The L6206PD is a DMOS dual full bridge driver designed for motor control applications, realized in MultiPower BCD technology, which combines isolated DMOS Power Transistors with CMOS and bipolar circuits on the same chip. Available in PowerDIP24 (20+2+2), PowerSO36 and SO24 (20+2+2) packages, the L6206PD features thermal shutdown and a non-dissipative overcurrent detection on the high side Power MOSFETs plus a diagnostic output that can be easily used to implement the overcurrent protection. The applications of the L6206PD include bipolar stepper motor and dual OR quad DC motor.
Parametrics
L6206PD absolute maximum ratings: (1)VS Supply Voltage VSA = VSB = VS: 60V; (2)VOD Differential Voltage between VSA, OUT1A, OUT2A, SENSEA and; (3)VSB, OUT1B, OUT2B, SENSEB VSA = VSB = VS = 60V; VSENSEA = VSENSEB = GND: 60V; (4)OCDA,OCDB OCD pins Voltage Range: -0.3 to +10 V; (5)PROGCLA, PROGCLB PROGCL pins Voltage Range: -0.3 to +7 V; (6)VBOOT Bootstrap Peak Voltage VSA = VSB = VS: VS + 10 V; (7)VIN,VEN Input and Enable Voltage Range: -0.3 to +7 V; (8)VSENSEA, VSENSEB Voltage Range at pins SENSEA and SENSEB: -1 to +4 V; (9)IS(peak) Pulsed Supply Current (for each VS pin), internally limited by the overcurrent protection VSA = VSB = VS; tPULSE <1ms: 7.1A; (10)IS RMS Supply Current (for each VS pin) VSA = VSB = VS: 2.8A; (11)Tstg, TOP Storage and Operating Temperature Range: -40℃ to 150℃.
Features
L6206PD features: (1)operating supply voltage from 8 to 52v; (2)5.6A output peak current (2.8A DC); (3)RDS(on) 0.3Ω typ. value @ Tj = 25℃; (4)operating frequency up to 100KHz; (5)programmable high side overcurrent detection and protection; (6)diagnostic output; (7)paralleled operation; (8)cross conduction protection; (9)thermal shutdown; (10)under voltage lockout; (11)integrated fast free wheeling diodes.
Diagrams

| Image | Part No | Mfg | Description | ![]() |
Pricing (USD) |
Quantity | ||||||||||||
|---|---|---|---|---|---|---|---|---|---|---|---|---|---|---|---|---|---|---|
![]() |
![]() L6206PD |
![]() STMicroelectronics |
![]() Motor / Motion / Ignition Controllers & Drivers Dual Full Bridge |
![]() Data Sheet |
![]()
|
|
||||||||||||
![]() |
![]() L6206PD013TR |
![]() STMicroelectronics |
![]() Motor / Motion / Ignition Controllers & Drivers Dual Full Bridge |
![]() Data Sheet |
![]()
|
|
||||||||||||
(Hong Kong)









