Product Summary
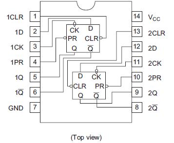
The HD74LS74A is a Dual D-type Positive Edge-triggered Flip-Flop (with Preset and Clear).
Parametrics
HD74LS74A absolute maximum ratings: (1)Supply voltage, VCC: 7 V; (2)Input voltage, VIN: 7 V; (3)Power dissipation, PT: 400mW; (4)Storage temperature, Tstg: –65 to +150℃.
Features
HD74LS74A features: (1)Input voltage, VIH: 2.0V min; VOH: 2.7V min; (2)Output voltage, VOH: 2.7V min when VCC = 4.75 V, VIH = 2 V, VIL = 0.8 V, IOH = –400μA; VOL: 0.5V max when IOL=8mA, VCC=4.75V, VIL=0.8V, VIH=2V; VOL: 0.4V when IOL=4mA, VCC=4.75V, VIL=0.8V, VIH=2V; VOL: 0.4V; (3)Short-circuit output current, IOS: –20 to –100mA when VCC = 5.25 V; (4)Supply current ICC: 8mA max, 4mA typ when VCC = 5.25 V; (5)Input clamp voltage, VIR: –1.5 V max when VCC = 4.75 V, IIN = –18mA.
Diagrams

![]() |
![]() HD7425FPA |
![]() Other |
![]() |
![]() Data Sheet |
![]() Negotiable |
|
||||
![]() |
![]() HD74AC |
![]() Other |
![]() |
![]() Data Sheet |
![]() Negotiable |
|
||||
![]() |
![]() HD74AC00 |
![]() Other |
![]() |
![]() Data Sheet |
![]() Negotiable |
|
||||
![]() |
![]() HD74AC02 |
![]() Other |
![]() |
![]() Data Sheet |
![]() Negotiable |
|
||||
![]() |
![]() HD74AC04 |
![]() Other |
![]() |
![]() Data Sheet |
![]() Negotiable |
|
||||
![]() |
![]() HD74AC04FP-EL |
![]() Other |
![]() |
![]() Data Sheet |
![]() Negotiable |
|
||||
(Hong Kong)








