Product Summary
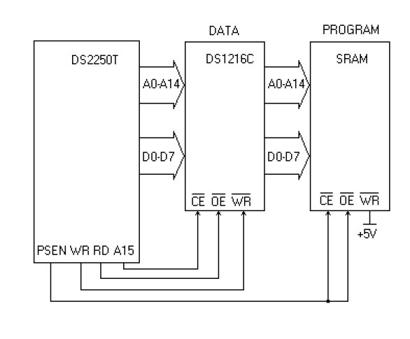
The DS1216C is a SmartWatch RAM and SmartWatch ROM Socket. It is a 600mil-wide DIP socket with a built-in CMOS watch function, an NV RAM controller circuit, and an embedded lithium energy source. The sockets provide an NV RAM solution for memory sized from 2k × 8 to 512k × 8 with package sizes from 26 pins to 32 pins. When a socket is mated with a CMOS SRAM, the DS1216C provides a complete solution to problems associated with memory volatility and uses a common energy source to maintain time and date.
Parametrics
DS1216C absolute maxing ratings: (1)Voltage Range on any Pin Relative to Ground: -0.3V to +7.0V for 5V; (2)Operating Temperature Range: 0℃ to +70℃; (3)Storage Temperature Range: -40℃ to +70℃.
Features
DS1216C features: (1)Keeps track of hundredths of seconds, seconds, minutes, hours, days, date of the month, months, and years; (2)Converts standard 2k× 8 up to 512k× 8 CMOS static RAMs into nonvolatile memory; (3)Embedded lithium energy cell maintains watch information and retains RAM data; (4)Watch function is transparent to RAM operation; (5)Month and year determine the number of days in each month; leap-year compensation valid up to 2100; (6)Lithium energy source is electrically disconnected to retain freshness until power is applied for the first time.
Diagrams

| Image | Part No | Mfg | Description | ![]() |
Pricing (USD) |
Quantity | ||||||||||||
|---|---|---|---|---|---|---|---|---|---|---|---|---|---|---|---|---|---|---|
![]() |
![]() DS1216C |
![]() Maxim Integrated Products |
![]() Memory Controllers SmartWatch RAM |
![]() Data Sheet |
![]()
|
|
||||||||||||
| Image | Part No | Mfg | Description | ![]() |
Pricing (USD) |
Quantity | ||||||||||||
![]() |
![]() DS12 |
![]() Apem |
![]() DIP Switches / SIP Switches 12POS SPST 0.05A 24V |
![]() Data Sheet |
![]()
|
|
||||||||||||
![]() |
![]() DS1200 |
![]() |
![]() IC SRAM 1KBIT 4MHZ 10DIP |
![]() Data Sheet |
![]() Negotiable |
|
||||||||||||
![]() |
![]() DS1200-3 |
![]() |
![]() POWER SUPPLY AC/DC 12V 1200W |
![]() Data Sheet |
![]()
|
|
||||||||||||
![]() |
![]() DS1200-3-002 |
![]() Emerson / Astec Power |
![]() Linear and Switching Power Supplies 12V Out 1200W 1Ux2Ux11" w/5V Sby |
![]() Data Sheet |
![]()
|
|
||||||||||||
![]() |
![]() DS1200DC-3 |
![]() Emerson / Astec Power |
![]() Linear and Switching Power Supplies 48V In 12VOut 1200W 1Ux2Ux11" |
![]() Data Sheet |
![]()
|
|
||||||||||||
![]() |
![]() DS1200HE-3 |
![]() |
![]() POWER SUPPLY 12VOUT 1200W |
![]() Data Sheet |
![]()
|
|
||||||||||||
(Hong Kong)













