Product Summary
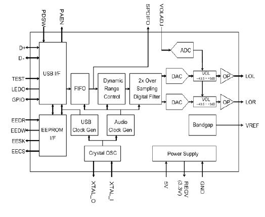
The CM102S+ is a USB Stereo Audio Chip for Speaker Integrated. Minimum external components are needed for building an USB speaker system, which makes the CM102S+ a simple and very cost-effective solution. Since no driver is necessary for audio playback on all major OS. The CM102S+ provides a truly plug-and-play feature for external digital audio playback.
Parametrics
CM102S+ absolute maximum ratings: (1)Dvmin Min Digital Supply Voltage: –0.3V; (2)Dvmax Max Digital Supply Voltage: +6V; (3)Avmin Min Analog Supply Voltage: –0.3V; (4)Avmax Max Analog Supply Voltage: +6V; (5)Dvinout Voltage on any Digital Input or Output Pin:–0.3 to +5.5 V; (6)Avinout Voltage on any Analog Input or Output Pin:–0.3 to +5.5V; (7)Storage Temperature Range: -40 to +125℃; (8)ESD (HBM) ESD Human Body Mode: 2000V; (9)ESD (MM) ESD Machine Mode: 200V; (10)Latchup Latch Up Test: 200mA.
Features
CM102S+ features: (1)USB 2.0 Full Speed Compatible and USB IF Certification; (2)USB audio device class specification v1.0 Compatible; (3)USB bus powered 500mA operation with suspend mode support; (4)USB audio function topology has 1 input terminal, 1 output terminal, and 1 feature unit; (5)Embedded high performance 16 bit stereo audio DAC; (6)Embedded Digital Control Power Amplifier for Speaker Driving; (7)Embedded power on reset block and Power amplifier enable/ disable control pin; (8)Embedded X2 Modulation for Higher Audio Quality; (9)Embedded Anti-Pop Circuit with Internal Feedback Structure; (10)Embedded 5V to 3.3V Regulator with Voltage Level Detector for Single 5V External Power Supply; (11)Alternate zero bandwidth setting for releasing bandwidth on USB bus during inactive operation; (12)Single 12MHz crystal input with on-chip PLL and embedded USB transceiver; (13)Support Dynamic Range Control (DRC) Feature to Provide a Better Listen Experience; (14)Volume control input with simple external VR circuit; (15)Isochroous transfer using adaptive synchronization with internal PLL; (16)High performance 16-Bit Stereo, 48 / 44.1 KHz Sampling Rate for Audio Playback; (17)3.3V IO with 5V tolerance; 3.3V core logics design; (18)GPIO pin for application specific usage; (19)Support S/PDIF output interface; (20)LED Indicator Pin During Playback; (21)Compatible with Win 98SE / Win ME / Win 2000 / Win XP, and Mac OS 9 / OS X without additional driver; (22)USB Software Drive Xear 3D Sound Technology With HRTF 3D, EAXTM, Speaker Shifter and Virtual 7.1CH effects for free bundle; (23)Compact 18 pin PDIP and SOP package.
Diagrams

| Image | Part No | Mfg | Description | ![]() |
Pricing (USD) |
Quantity | ||||||
|---|---|---|---|---|---|---|---|---|---|---|---|---|
![]() |
![]() CM102S+ |
![]() Other |
![]() |
![]() Data Sheet |
![]() Negotiable |
|
||||||
| Image | Part No | Mfg | Description | ![]() |
Pricing (USD) |
Quantity | ||||||
![]() |
![]() CM10 |
![]() |
![]() FPE04-6U NO FRONT PANEL |
![]() Data Sheet |
![]()
|
|
||||||
![]() |
![]() CM100 |
![]() AMPROBE |
![]() Environmental Test Equipment CARBON MONOXIDE W/ADJUST CO |
![]() Data Sheet |
![]() Negotiable |
|
||||||
![]() |
![]() CM1000 |
![]() Other |
![]() |
![]() Data Sheet |
![]() Negotiable |
|
||||||
![]() CM1000DU-34NF |
![]() |
![]() IGBT MOD DUAL 1700V 1000A NF SER |
![]() Data Sheet |
![]() Negotiable |
|
|||||||
![]() |
![]() CM1000HA-24H |
![]() |
![]() IGBT MOD SGL 1200V 1000A H SER |
![]() Data Sheet |
![]() Negotiable |
|
||||||
![]() |
![]() CM1000HA-28H |
![]() |
![]() IGBT MOD SGL 1400V 1000A H SER |
![]() Data Sheet |
![]() Negotiable |
|
||||||
(Hong Kong)










