Product Summary
The CDNBS08-SRDA3.3-4 is a Steering Diode/TVS Array Combo. The markets of portable communications, computing and video equipment are challenging the semiconductor industry to develop increasingly smaller electronic components. The applications of the CDNBS08-SRDA3.3-4 include Ethernet - 10/100 Base T, Computer I/O ports - SCSI, FireWire and USB, Set-top box protection, Video cards.
Parametrics
CDNBS08-SRDA3.3-4 absolute maximum ratings: (1)Minimum Breakdown Voltage @ 1 mA VBR: 4.0V; (2)Working Peak Voltage VWM: 3.3V; (3)Maximum Clamping Voltage VC @ IP 1 VF: 8.0V; (4)Maximum Clamping Voltage @ 8/20 μs VC @ IPP 1 VF: 10.9 V @ 43A; (5)Maximum Leakage Current @ VWM ID: 125μA; (6)Maximum Cap. Bidirectional @ 0 V, 1 MHz CJ(SD): 15pF; (7)Peak Pulse Power (tp = 8/20 μs) 2 PPP: 500 W; (8)Maximum Forward Voltage @ 10 mA VF: 1.1V.
Features
CDNBS08-SRDA3.3-4 features: (1)RoHS compliant; (2)Protects up to four I/O ports; (3)Unidirectional confi guration; (4)ESD protection: 30 kV max.; (5)Low capacitance: 15 pF.
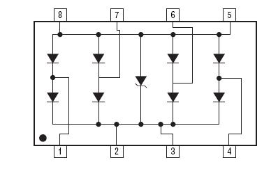
Diagrams

| Image | Part No | Mfg | Description | ![]() |
Pricing (USD) |
Quantity | ||||||||||||
|---|---|---|---|---|---|---|---|---|---|---|---|---|---|---|---|---|---|---|
![]() |
![]() CDNBS08-SRDA3.3-4 |
![]() Bourns |
![]() TVS Diode Arrays SO-8 3.3V 500W Low Capacitance |
![]() Data Sheet |
![]()
|
|
||||||||||||
| Image | Part No | Mfg | Description | ![]() |
Pricing (USD) |
Quantity | ||||||||||||
![]() |
![]() CDNBS04-B08200 |
![]() Bourns |
![]() Bridge Rectifiers SMD RECTIFIER 200VOLT |
![]() Data Sheet |
![]()
|
|
||||||||||||
![]() |
![]() CDNBS04-B08400 |
![]() Bourns |
![]() Bridge Rectifiers SMD RECTIFIER 400VOLT |
![]() Data Sheet |
![]()
|
|
||||||||||||
![]() |
![]() CDNBS04-B08800 |
![]() Bourns |
![]() Bridge Rectifiers SMD RECTIFIER 800VOLT |
![]() Data Sheet |
![]()
|
|
||||||||||||
![]() |
![]() CDNBS08-PLC03-6 |
![]() Bourns |
![]() TVS Diode Arrays SO-8 6V Low Capacitance |
![]() Data Sheet |
![]()
|
|
||||||||||||
![]() |
![]() CDNBS08-SLVU2.8-8 |
![]() Bourns |
![]() TVS Diode Arrays SO-8 2.8V 8DIODE Low Capacitance |
![]() Data Sheet |
![]()
|
|
||||||||||||
![]() |
![]() CDNBS08-SMDA05-6 |
![]() Bourns |
![]() TVS Diode Arrays TVS ARRAY 5V SOD106 |
![]() Data Sheet |
![]() Negotiable |
|
||||||||||||
(Hong Kong)












