Product Summary
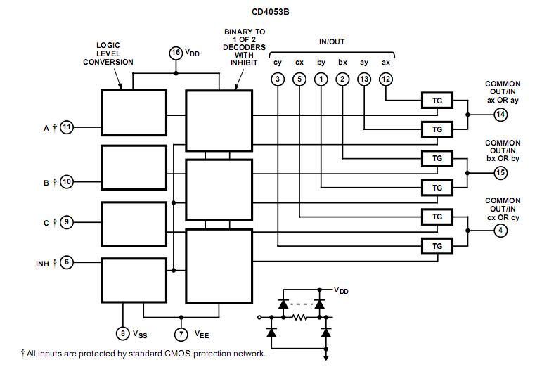
The CD4053BME4 is a triple 2-Channel multiplexer having three separate digital control inputs, A, B, and C, and an inhibit input. Each control input selects one of a pair of channels which are connected in a single-pole, double-throw configuration. The applications of the CD4053BME4 include Analog and Digital Multiplexing and Demultiplexing, A/D and D/A Conversion, Signal Gating.
Parametrics
CD4053BME4 absolute maximum ratings: (1)Supply Voltage (V+ to V-) Voltages Referenced to VSS Terminal:-0.5V to 20V; (2)DC Input Voltage Range:-0.5V to VDD +0.5V; (3)DC Input Current, Any One Input:±10mA; (4)operating temperature range:-55℃ to 125℃; (5)Package Thermal Impedance:73℃/W; (6)Maximum Junction Temperature (Ceramic Package):175℃; (7)Maximum Junction Temperature (Plastic Package):150℃; (8)Maximum Storage Temperature Range:-65℃ to 150℃; (9)Maximum Lead Temperature (Soldering 10s):265℃(SOIC - Lead Tips Only).
Features
CD4053BME4 features: (1)Wide Range of Digital and Analog Signal Levels:Digital:3V to 20V, Analog:≤20VP-P; (2)Low ON Resistance, 125Ω (Typ) Over 15VP-P Signal Input Range for VDD-VEE = 18V; (3)High OFF Resistance, Channel Leakage of ±100pA (Typ) at VDD-VEE = 18V; (4)Logic-Level Conversion for Digital Addressing Signals of 3V to 20V (VDD-VSS = 3V to 20V) to Switch Analog Signals to 20VP-P (VDD-VEE = 20V); (5)Matched Switch Characteristics, rON = 5Ω (Typ) for VDD-VEE = 15V; (6)Very Low Quiescent Power Dissipation Under All Digital-Control Input and Supply Conditions, 0.2μW (Typ) at VDD-VSS = VDD-VEE = 10V; (7)Binary Address Decoding on Chip; (8)5V, 10V, and 15V Parametric Ratings; (9)100% Tested for Quiescent Current at 20V; (10)Maximum Input Current of 1μA at 18V Over Full Package Temperature Range, 100nA at 18V and 25℃; (11)Break-Before-Make Switching Eliminates Channel Overlap.
Diagrams

| Image | Part No | Mfg | Description | ![]() |
Pricing (USD) |
Quantity | ||||||||||||
|---|---|---|---|---|---|---|---|---|---|---|---|---|---|---|---|---|---|---|
![]() |
![]() CD4053BME4 |
![]() Texas Instruments |
![]() Multiplexer Switch ICs CMOS Tr 2-Ch Ana Multipl/Demltplxr |
![]() Data Sheet |
![]()
|
|
||||||||||||
| Image | Part No | Mfg | Description | ![]() |
Pricing (USD) |
Quantity | ||||||||||||
![]() |
![]() CD4000B |
![]() Other |
![]() |
![]() Data Sheet |
![]() Negotiable |
|
||||||||||||
![]() |
![]() CD4000BMS |
![]() Other |
![]() |
![]() Data Sheet |
![]() Negotiable |
|
||||||||||||
![]() |
![]() CD4001BC |
![]() Other |
![]() |
![]() Data Sheet |
![]() Negotiable |
|
||||||||||||
![]() |
![]() CD4001BCM |
![]() |
![]() IC GATE NOR BUFF QUAD 2IN 14SOIC |
![]() Data Sheet |
![]() Negotiable |
|
||||||||||||
![]() |
![]() CD4001BCMX |
![]() |
![]() IC GATE NOR QUAD 2INPUT 14-SOIC |
![]() Data Sheet |
![]() Negotiable |
|
||||||||||||
![]() |
![]() CD4001BCN |
![]() |
![]() IC GATE NOR BUFF QUAD 2IN 14-DIP |
![]() Data Sheet |
![]() Negotiable |
|
||||||||||||
(Hong Kong)












