Product Summary
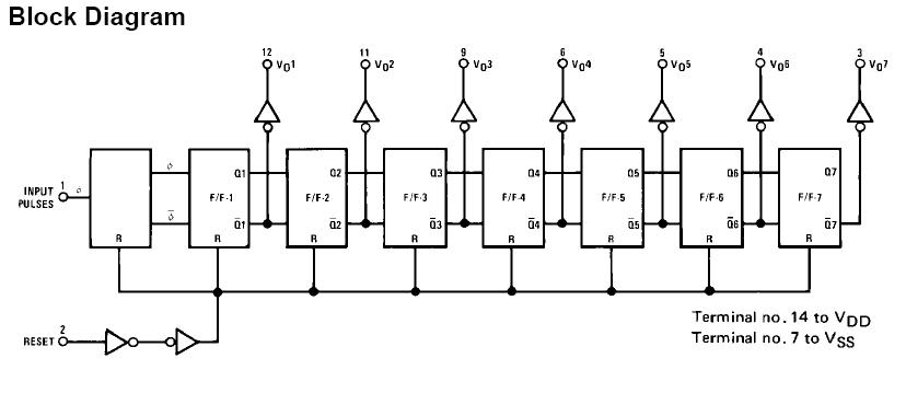
The CD4024BCN is a 7-stage ripple-carry binary counter. Buffered outputs are externally available from stages 1 through 7. The counter is reset to its logical “0” stage by a logical “1” on the reset input. The CD4024BCN is advanced one count on the negative transition of each clock pulse.
Parametrics
CD4024BCN absolute maximum ratings: (1)DC Supply Voltage (VDD): -0.5 to +18 VDC; (2)Input Voltage (VIN): -0.5 to VDD +0.5 VDC; (3)Storage Temperature Range (TS): -65℃ to +150℃; (4)Power Dissipation (PD) Dual-In-Line: 700mW; (5)Small Outline: 500mW; (6)Lead Temperature (Soldering, 10 seconds) (TL): 260℃.
Features
CD4024BCN features: (1)Wide supply voltage range: 3.0V to 15V; (2)High noise immunity: 0.45 VDD (typ.); (3)Low power TTL compatibility: Fan out of 2 driving 74L or 1 driving 74LS; (4)High speed: 12 MHz (typ.) input pulse rate VDD . VSS = 10V; (5)Fully static operation.
Diagrams

| Image | Part No | Mfg | Description | ![]() |
Pricing (USD) |
Quantity | ||||
|---|---|---|---|---|---|---|---|---|---|---|
![]() |
![]() CD4024BCN |
![]() Fairchild Semiconductor |
![]() Counter ICs 7-Stage Binary Ctr |
![]() Data Sheet |
![]() Negotiable |
|
||||
| Image | Part No | Mfg | Description | ![]() |
Pricing (USD) |
Quantity | ||||
![]() |
![]() CD4000B |
![]() Other |
![]() |
![]() Data Sheet |
![]() Negotiable |
|
||||
![]() |
![]() CD4000BMS |
![]() Other |
![]() |
![]() Data Sheet |
![]() Negotiable |
|
||||
![]() |
![]() CD4001BC |
![]() Other |
![]() |
![]() Data Sheet |
![]() Negotiable |
|
||||
![]() |
![]() CD4001BCM |
![]() |
![]() IC GATE NOR BUFF QUAD 2IN 14SOIC |
![]() Data Sheet |
![]() Negotiable |
|
||||
![]() |
![]() CD4001BCMX |
![]() |
![]() IC GATE NOR QUAD 2INPUT 14-SOIC |
![]() Data Sheet |
![]() Negotiable |
|
||||
![]() |
![]() CD4001BCN |
![]() |
![]() IC GATE NOR BUFF QUAD 2IN 14-DIP |
![]() Data Sheet |
![]() Negotiable |
|
||||
(Hong Kong)












