Product Summary
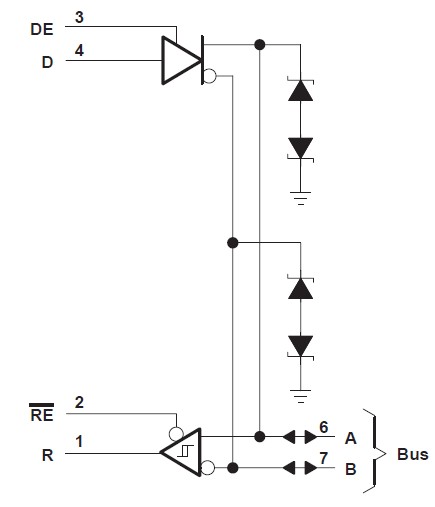
The 75LBC184 is a differential data line transceiver in the trade-standard footprint of the SN75176 with built-in protection against high-energy noise transients. This feature provides a substantial increase in reliability for better immunity to noise transients coupled to the data cable over most existing devices. Use of the 75LBC184 provides a reliable low cost direct-coupled (with no isolation transformer) data line interface without requiring any external components. The 75LBC184 can withstand overvoltage transients of 400-W peak (typical). The conventional combination wave called out in IEC 61000-4-5 simulates the overvoltage transient and models a unidirectional surge caused by overvoltages from switching and secondary lightning transients.
Parametrics
75LBC184 absolute maximum ratings: (1)Supply voltage, VCC: -0.5 V to 7 V; (2)Continuous voltage range at any bus terminal: -15 V to 15 V; (3)Data input/output voltage: -0.3 V to 7 V; (4)Receiver output current, IO: ±20 mA; (5)Electrostatic discharge: Contact discharge (IEC61000-4-2) A, B, GND: 30 kV; Air discharge (IEC61000-4-2) A, B, GND: 15 kV; Human body model A, B, GND: 15 kV; All pins: 3 kV; All terminals (Class 3A): 8 kV; All terminals (Class 3B): 1200 V; (6)Continuous total power dissipation: Internally Limited.
Features
75LBC184 features: (1)Integrated Transient Voltage Suppression; (2)Circuit Damage Protection of 400-W Peak (Typical) Per IEC 61000-4-5; (3)Controlled Driver Output-Voltage Slew Rates Allow Longer Cable Stub Lengths; (4)250-kbps in Electrically Noisy Environments; (5)Open-Circuit Fail-Safe Receiver Design; (6)1/4 Unit Load Allows for 128 Devices Connected on Bus; (7)Thermal Shutdown Protection; (8)Power-Up/-Down Glitch Protection; (9)Each Transceiver Meets or Exceeds the Requirements of TIA/EIA-485 (RS-485) and ISO/IEC 8482: 1993(E) Standards; (10)Low Disabled Supply Current 300 μA Max.
Diagrams

(Hong Kong)






