Product Summary
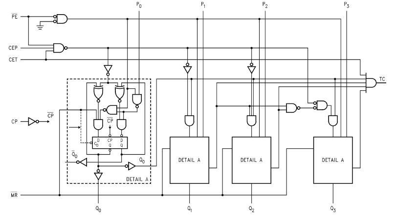
The 74VHC161M is a 4-Bit Binary Counter with Asynchronous Clear fabricated with silicon gate CMOS technology. It achieves the high-speed operation similar to equivalent Bipolar Schottky TTL while maintaining the CMOS low power dissipation. The 74VHC161M is a high-speed synchronous modulo-16 binary counter. This device is synchronously presettable for application in programmable dividers and has two types of Count Enable inputs plus a Terminal Count output for versatility in forming synchronous multistage counters. The 74VHC161M has an asynchronous Master Reset input that overrides all other inputs and forces the outputs LOW. An input protection circuit insures that 0V to 7V can be applied to the input pins without regard to the supply voltage. This device can be used to interface 5V to 3V systems and two supply systems such as battery backup. This circuit prevents device destruction due to mismatched supply and input voltages.
Parametrics
74VHC161M absolute maximum ratings: (1)VCC Supply Voltage:–0.5V to +7.0V; (2)VIN DC Input Voltage:–0.5V to +7.0V; (3)VOUT DC Output Voltage:–0.5V to VCC + 0.5V; (4)IIK Input Diode Current:–20mA; (5)IOK Output Diode Current: ±20mA; (6)IOUT DC Output Current:±25mA; (7)ICC DC VCC/GND Current:±50mA; (8)TSTG Storage Temperature:–65℃ to +150℃; (9)TL Lead Temperature (Soldering, 10 seconds): 260℃.
Features
74VHC161M features: (1)High Speed: fMAX=185MHz (Typ.) at TA=25℃; (2)Synchronous counting and loading; (3)High-speed synchronous expansion; (4)Low power dissipation: ICC=4μA (Max.) at TA=25℃; (5)High noise immunity: VNIH=VNIL=28% VCC(Min.); (6)Power down protection provided on all inputs; (7)Low noise: VOLP=0.8V (Max.); (8)Pin and function compatible with 74HC161.
Diagrams

| Image | Part No | Mfg | Description | ![]() |
Pricing (USD) |
Quantity | ||||||||||||
|---|---|---|---|---|---|---|---|---|---|---|---|---|---|---|---|---|---|---|
![]() |
![]() 74VHC161M |
![]() Fairchild Semiconductor |
![]() Counter Shift Registers 4-Bit Binary Counter |
![]() Data Sheet |
![]()
|
|
||||||||||||
![]() |
![]() 74VHC161M_Q |
![]() Fairchild Semiconductor |
![]() Counter ICs 4-Bit Binary Counter |
![]() Data Sheet |
![]() Negotiable |
|
||||||||||||
![]() |
![]() 74VHC161MTC_Q |
![]() Fairchild Semiconductor |
![]() Counter ICs 4-Bit Binary Counter |
![]() Data Sheet |
![]() Negotiable |
|
||||||||||||
![]() |
![]() 74VHC161MTCX |
![]() Fairchild Semiconductor |
![]() Counter Shift Registers 4-Bit Binary Counter |
![]() Data Sheet |
![]()
|
|
||||||||||||
![]() |
![]() 74VHC161MX |
![]() Fairchild Semiconductor |
![]() Counter Shift Registers 4-Bit Binary Counter |
![]() Data Sheet |
![]()
|
|
||||||||||||
![]() |
![]() 74VHC161MTC |
![]() Fairchild Semiconductor |
![]() Counter Shift Registers 4-Bit Binary Counter |
![]() Data Sheet |
![]()
|
|
||||||||||||
(Hong Kong)











