Product Summary
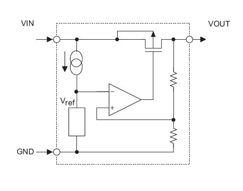
The 7130-1 is a three-terminal low power high voltage regulator implemented in CMOS technology. It allows input voltages as high as 24V. The 7130-1 is available with several fixed output voltages ranging from 3.0V to 5.0V. CMOS technology ensures low voltage drop and low quiescent current. The applications of the 7130-1 include Battery-powered equipment, Communication equipment, and Audio/Video equipment.
Parametrics
7130-1 absolute maximum ratings: (1)Supply Voltage: -0.3V to 26V; (2)Storage Temperature: -50℃ to 125℃; (3)Power Consumption (*1): 200mW; (4)Operating Temperature: -40℃ to 85℃; (5)Power Consumption (*2): 150mW.
Features
7130-1 features: (1)Low power consumption; (2)Low voltage drop; (3)Low temperature coefficient; (4)High input voltage (up to +18V); (5)Output voltage accuracy: tolerance ±2%; (6)TO-92, SOT-89 and SOT-25 package.
Diagrams

|  |  7130 BK001 |  Alpha Wire |  Wire - Single Conductor 24AWG 7/32 IRRPVC 1000ft SPOOL BLACK |  Data Sheet |  
 |  | ||||||||||||
|  |  7130 BK005 |  Alpha Wire |  Wire - Single Conductor 24AWG 7/32 IRRPVC 100ft SPOOL BLACK |  Data Sheet |  
 |  | ||||||||||||
|  |  7130 BL001 |  Alpha Wire |  Wire - Single Conductor 24AWG 7/32 IRRPVC 1000ft SPOOL BLUE |  Data Sheet |  
 |  | ||||||||||||
|  |  7130 BL005 |  Alpha Wire |  Wire - Single Conductor 24AWG 7/32 IRRPVC 100ft SPOOL BLUE |  Data Sheet |  
 |  | ||||||||||||
|  |  7130 BR001 |  Alpha Wire |  Wire - Single Conductor 24AWG 7/32 IRRPVC 1000ft SPOOL BROWN |  Data Sheet |  
 |  | ||||||||||||
|  |  7130 BR005 |  Alpha Wire |  Wire - Single Conductor 24AWG 7/32 IRRPVC 100ft SPOOL BROWN |  Data Sheet |  
 |  | ||||||||||||
 (Hong Kong)
 (Hong Kong) 
                         
                        
 
                                    




