Product Summary
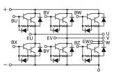
The QF15AA60 is a six pack Darlington power transistor module which has six transistors connected in three phase bridge configuraction. The QF15AA60 has a reverse paralleled fast recovery diode. The mounting base of the module is electrically isolated from semiconductor elements for simple heatsink construction. The applications of the QF15AA60 are Motor Control, VVVF, AC Servo, UPS.
Parametrics
QF15AA60 absolute maximum ratings: (1)Collector-Base Voltage:600V; (2)Collector-Emitter Voltage:600V; (3)Emitter-Base Voltage:10V; (4)Collector Current:15A; (5)Reverse Collector Current:15A; (6)Base Current:1A; (7)Total power dissipation:100W; (8)Junction Temperature:-40℃ to +150℃; (9)Storage Temperature:-40℃ to +125℃; (10)Isolation Voltage:2500V; (11)Mounting Torque M5:2.7N.m; (12)Mass:95g.
Features
QF15AA60 features: (1)IC=15A, VCEX=400/600V; (2)Low saturation voltage for higher efficiency; (3)High DC current gain hFE; (4)Isolated mounting base; (5)VEBO 10V for faster switching speed.
Diagrams

| Image | Part No | Mfg | Description |  | Pricing (USD) | Quantity | ||||
|---|---|---|---|---|---|---|---|---|---|---|
|  |  QF15AA60 |  Other |  |  Data Sheet |  Negotiable |  | ||||
| Image | Part No | Mfg | Description |  | Pricing (USD) | Quantity | ||||
|  |  QF15AA40 |  Other |  |  Data Sheet |  Negotiable |  | ||||
|  |  QF15AA60 |  Other |  |  Data Sheet |  Negotiable |  | ||||
 (Hong Kong)
 (Hong Kong) 
                         
                        
 
                                    




