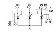
Product Summary
The PWB60A-40 is a thyristor module which is suitable for low voltage, 3 phase recifier applications. Applications include Welding power Supply and various DC power Supply.
Parametrics
PWB60A-40 absolute maximum ratings: (1)Repetitive Peak Reverse Voltage: 400V; (2)Non-Repetitive Peak Reverse Voltage: 480V; (3)Repetitive Peak Off-State Voltage: 400V; (4)Average On-State Current: 60A; (5)R.M.S. On-State Current: 94A; (6)Surge On-State Current: 1640/1800A; (7)Peak Gate Power Dissipation: 10W; (8)Average Gate Power Dissipation: 1W; (9)Peak Gate Current: 3A; (10)Peak Gate Voltage (Forward): 10V; (11)Peak Gate Voltage (R.M.S.): 5V; (12)Storage Temperature: -30 to +125℃; (13)Operating Junction Temperature: -30 to +150℃.
Features
PWB60A-40 features: (1)IT(AV) 60A (each device); (2)High Surge Current 1800 A (60Hz); (3)Easy Construction; (4)Non-isolated. Mounting base as common Anode terminal.
Diagrams

(Hong Kong)






