Product Summary
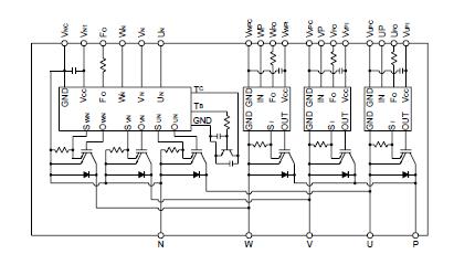
The PM10RSH120 is an isolated base module designed for power switching applications operating at frequencies to 20kHz. Built-in control circuits provide optimum gate drive and protection for the IGBT and free-wheel diode power devices. Applications include Inverters, UPS, Motion/Servo Control and Power Supplies.
Parametrics
PM10RSH120 absolute maximum ratings: (1)Power Device Junction Temperature: -20 to 150℃; (2)Storage Temperature: -40 to 125℃; (3)Case Operating Temperature: -20 to 100℃; (4)Module Weight (Typical): 60 Grams; (5)Supply Voltage Protected by OC and SC (VD = 13.5 - 16.5V, Inverter Part): 400 Volts; (6)Isolation Voltage (Main Terminal to Baseplate, AC 1 min.): 2500 Vrms.
Features
PM10RSH120 features: (1)Complete Output Power Circuit; (2)Gate Drive Circuit; (3)Protection Logic.
Diagrams

| Image | Part No | Mfg | Description |  | Pricing (USD) | Quantity | ||||||||||||
|---|---|---|---|---|---|---|---|---|---|---|---|---|---|---|---|---|---|---|
|  |  PM10RSH120 |  |  MOD IPM 7PAC 1200V 10A |  Data Sheet |  Negotiable |  | ||||||||||||
| Image | Part No | Mfg | Description |  | Pricing (USD) | Quantity | ||||||||||||
|  |  PM1000G1 |  Anderson Power Products |  Heavy Duty Power Connectors CRIMP TOOL 4 INDENT |  Data Sheet |  
 |  | ||||||||||||
|  |  PM1002G1 |  Anderson Power Products |  Heavy Duty Power Connectors INSERTION TOOL TOOL |  Data Sheet |  
 |  | ||||||||||||
|  |  PM1003G1 |  Anderson Power Products |  Heavy Duty Power Connectors EXTRACTION TOOL TOOL |  Data Sheet |  
 |  | ||||||||||||
|  |  PM1008-100K |  J.W. Miller |  RF Inductors 10uH 10% |  Data Sheet |  Negotiable |  | ||||||||||||
|  |  PM1008-100K-RC |  J.W. Miller |  RF Inductors 10uH 10% |  Data Sheet |  
 |  | ||||||||||||
|  |  PM1008-10NM |  J.W. Miller |  RF Inductors 10nH 20% |  Data Sheet |  Negotiable |  | ||||||||||||
 (Hong Kong)
 (Hong Kong) 
                         
                        
 
                                    




