Product Summary
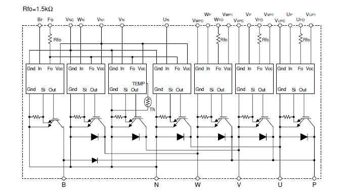
The PM100RSD120 is a flat-base type power module. Applications include general purpose inverter, servo drives and other motor controls.
Parametrics
PM100RSD120 absolute maximum ratings: (1)Collector-Emitter Voltage(Brake part): 1200V; (2)Collector Current(Brake part): 50A; (3)Collector Current (Peak)(Brake part): 100A; (4)Collector Dissipation(Brake part): 416W; (5)Junction Temperature(Brake part): -20 ~ +150℃; (6)Collector-Emitter Voltage(INVERTER PART): 1200V; (7)Collector Current(INVERTER PART): 100A; (8)Collector Current (Peak)(INVERTER PART): 200A; (9)Collector Dissipation(INVERTER PART): 595W; (10)Junction Temperature(INVERTER PART): -20 ~ +150℃.
Features
PM100RSD120 features: (1)100A, 1200V Current-sense IGBT for 15kHz switching; (2)50A, 1200V Current-sense regenerative brake IGBT; (3)Monolithic gate drive & protection logic; (4)Detection, protection & status indication circuits for, shortcircuit, over-temperature & under-voltage (P-Fo available from upper arm devices); (5)Acoustic noise-less 18.5kW/22kW class inverter application; (6)UL Recognized.
Diagrams

| Image | Part No | Mfg | Description | ![]() |
Pricing (USD) |
Quantity | ||||||||||||
|---|---|---|---|---|---|---|---|---|---|---|---|---|---|---|---|---|---|---|
![]() |
![]() PM100RSD120 |
![]() |
![]() MOD IPM 7PAC 1200V 100A |
![]() Data Sheet |
![]() Negotiable |
|
||||||||||||
| Image | Part No | Mfg | Description | ![]() |
Pricing (USD) |
Quantity | ||||||||||||
![]() |
![]() PM1000G1 |
![]() Anderson Power Products |
![]() Heavy Duty Power Connectors CRIMP TOOL 4 INDENT |
![]() Data Sheet |
![]()
|
|
||||||||||||
![]() |
![]() PM1002G1 |
![]() Anderson Power Products |
![]() Heavy Duty Power Connectors INSERTION TOOL TOOL |
![]() Data Sheet |
![]()
|
|
||||||||||||
![]() |
![]() PM1003G1 |
![]() Anderson Power Products |
![]() Heavy Duty Power Connectors EXTRACTION TOOL TOOL |
![]() Data Sheet |
![]()
|
|
||||||||||||
![]() |
![]() PM1008-100K |
![]() J.W. Miller |
![]() RF Inductors 10uH 10% |
![]() Data Sheet |
![]() Negotiable |
|
||||||||||||
![]() |
![]() PM1008-100K-RC |
![]() J.W. Miller |
![]() RF Inductors 10uH 10% |
![]() Data Sheet |
![]()
|
|
||||||||||||
![]() |
![]() PM1008-10NM |
![]() J.W. Miller |
![]() RF Inductors 10nH 20% |
![]() Data Sheet |
![]() Negotiable |
|
||||||||||||
(Hong Kong)













