Product Summary
The CM1200HB-66H is a high power switching use insulated type HVIGBT module. Applications include Inverters, Converters, DC choppers, Induction heating and DC to DC converters.
Parametrics
CM1200HB-66H absolute maximum ratings: (1)Collector-emitter voltage: 3300V; (2)Gate-emitter voltage: ±20V; (3)Maximum collector dissipation: 15600W; (4)Junction temperature:–40 ~ +150℃; (5)Storage temperature: –40 ~ +125℃; (6)Isolation voltage: 6000V.
Features
CM1200HB-66H features: (1)IC 1200A; (2)VCES 3300V; (3)Insulated Type; (4)1-element in a pack.
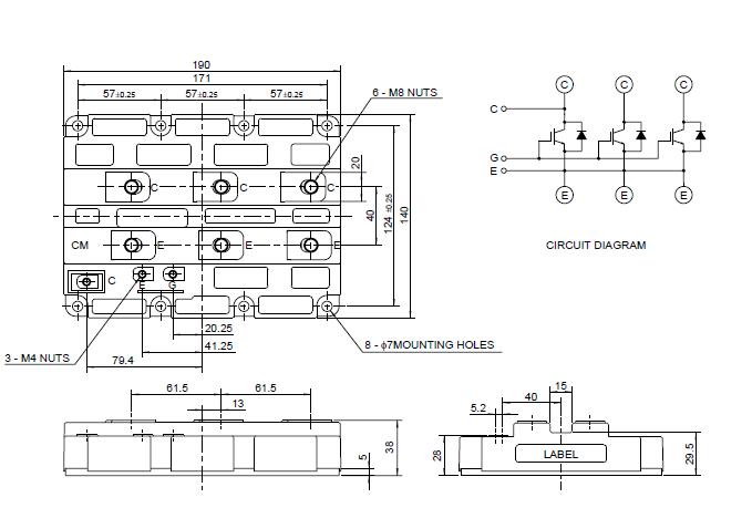
Diagrams

(Hong Kong)






