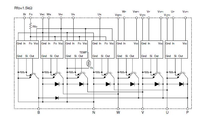
Product Summary
The PM100RSE120 is a flat-base type power module. Applications include general purpose inverter, servo drives and other motor controls.
Parametrics
PM100RSE120 absolute maximum ratings: (1)Collector-Emitter Voltage(Brake part): 1200V; (2)Collector Current(Brake part): 50A; (3)Collector Current (Peak)(Brake part): 100A; (4)Collector Dissipation(Brake part): 416W; (5)Junction Temperature(Brake part): -20 ~ +150℃; (6)Collector-Emitter Voltage(INVERTER PART): 1200V; (7)Collector Current(INVERTER PART): 100A; (8)Collector Current (Peak)(INVERTER PART): 200A; (9)Collector Dissipation(INVERTER PART): 595W; (10)Junction Temperature(INVERTER PART): -20 ~ +150℃
Features
PM100RSE120 features: (1)100A, 1200V Current-sense IGBT for 15kHz switching; (2)50A, 1200V Current-sense regenerative brake IGBT; (3)Monolithic gate drive & protection logic; (4)Detection, protection & status indication circuits for overcurrent, short-circuit, over-temperature & under-voltage; (5)Acoustic noise-less 18.5/22kW class inverter application.
Diagrams

(Hong Kong)






