Product Summary
The PM100RLA120 is a flat-base type power module. Applications include general purpose inverter, servo drives and other motor controls.
Features
PM100RLA120 features: (1)100A, 1200V Current-sense IGBT type inverter; (2)Monolithic gate drive & protection logic; (3)Detection, protection & status indication circuits for, shortcircuit, over-temperature & under-voltage (P-Fo available from upper arm devices); (4)Acoustic noise-less 18.5kW/22kW class inverter application; (5)UL Recognized
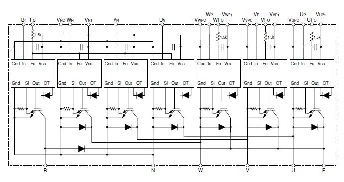
Diagrams

(Hong Kong)






