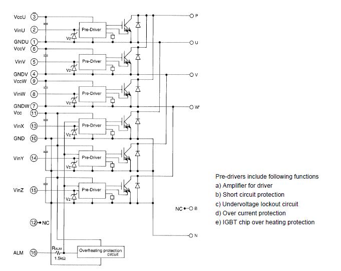
Product Summary
The 6MBP200RA060 is an IGBT module-IPM R series.
Parametrics
6MBP200RA060 absolute maximum ratings: (1)DC bus voltage: 450V; (2)DC bus voltage (surge): 500V; (3)DC bus voltage (short operating): 400V; (4)Collector-Emitter voltage: 600V; (5)Supply voltage of Pre-Driver: 0~20V; (6)Input signal voltage: 0~VzV; (7)Input signal current: 1mA; (8)Alarm signal voltage: VccV; (9)Alarm signal current: 15mA; (10)Junction temperature: 150℃; (11)Operating case temperature: -20~+100℃; (12)Storage temperature: -40~+125℃; (13)Isolating voltage: 2500V.
Features
6MBP200RA060 features: (1)Temperature protection provided by directly detecting the junction temperature of the IGBTs; (2)Low power loss and soft switching; (3)High performance and high reliability IGBT with overheating protection; (4)Higher reliability because of a big decrease in number of parts in built-in control circuit.
Diagrams

(Hong Kong)






