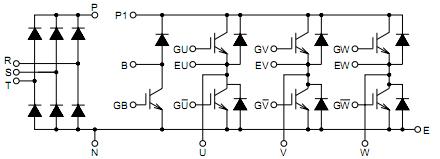
Product Summary
The CM20LD-12H is an IGBT module. The applications of it are AC & DC motor controls, General purpose inverters, Servo controls, NC, Robotics.
Parametrics
CM20LD-12H absolute maximum ratings: (1)Collector-emitter voltage: 600V; (2)Gate-emitter voltage: ±20V; (3)Collector Current: 20A, pulse: 40A; (4)Emitter Current: 20A, pulse: 40A; (5)Maximum collector dissipation: 57W.
Features
CM20LD-12H features: (1)IC:20A; (2)VCES:600V; (3)Insulated Type; (4)CIB Module 3φ Inverter+3φ Converter+Brake; (5)UL Recognized Yellow Card No. E80276 (N), File No. E80271.
Diagrams

(Hong Kong)






