Product Summary
The SKKD46 12 is a Rectifier Diode Module. The typical applications of the device include non-controllable rectifiers for AC/AC converters, line rectifiers for transistorized AC motor controllers and field supply for DC motor.
Parametrics
SKKD46 12 absolute maximum ratings: (1)IFAV: 47A; (2)ID: 50/60A; (3)IFSM: 700A; (4)i2t: 2450A2s; (6)VF: 1.95V; (7)Tvj: -40 to 125℃.
Features
SKKD46 12 features: (1)Heat transfer through aluminium oxide ceramic isolated metal basepalte; (2)Hard soldered joints for high reliability; (3)UL recognized, file no E 63 532.
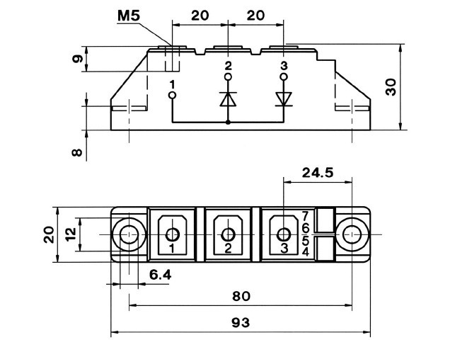
Diagrams

(Hong Kong)






