Product Summary
The CS241020 is a Powerex Fast Recovery Single Diode Module which is designed for use in applications requiring fast switching. The module is isolated for easy mounting with other components on common heatsinks. Applications mainly include Free Wheeling.
Parametrics
CS241020 absolute maximum ratings: (1)Peak Forward Blocking Voltage: 1000 Volts; (2)Transient Peak Forward Blocking Voltage (Non-Repetitive): 1100 Volts; (3)DC Reverse Blocking Voltage: 800 Volts; (4)DC Output Current: 200 Amperes; (5)Peak One-Cycle Surge (Non-Repetitive) On-State Current (60Hz): 2000 Amperes; (6)Peak One-Cycle Surge (Non-Repetitive) On-State Current (50Hz): 1825 Amperes; (7)Storage Temperature: -40 to 125℃; (8)Operating Temperature: -40 to 155℃; (9)Module Weight (Typical): 90 Grams; (10)V Isolation: 2500 Volts.
Features
CS241020 features: (1)Isolated Mounting; (2)Planar Chips.
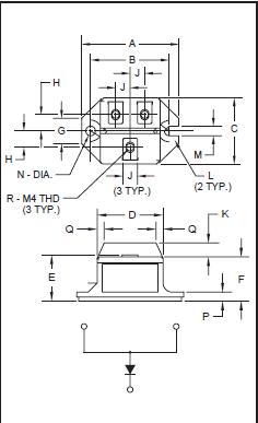
Diagrams

| Image | Part No | Mfg | Description | ![]() |
Pricing (USD) |
Quantity | ||||||||||||||||||||||
|---|---|---|---|---|---|---|---|---|---|---|---|---|---|---|---|---|---|---|---|---|---|---|---|---|---|---|---|---|
![]() |
![]() CS241020 |
![]() |
![]() DIODE MOD FST-REC SGL 1000V 200A |
![]() Data Sheet |
![]()
|
|
||||||||||||||||||||||
| Image | Part No | Mfg | Description | ![]() |
Pricing (USD) |
Quantity | ||||||||||||||||||||||
![]() |
![]() CS24 |
![]() Other |
![]() |
![]() Data Sheet |
![]() Negotiable |
|
||||||||||||||||||||||
![]() |
![]() CS240610 |
![]() |
![]() DIODE MOD FST-REC SGL 600V 100A |
![]() Data Sheet |
![]()
|
|
||||||||||||||||||||||
![]() |
![]() CS240650 |
![]() |
![]() DIODE MOD FST-REC SGL 600V 50A |
![]() Data Sheet |
![]()
|
|
||||||||||||||||||||||
![]() |
![]() CS241020 |
![]() |
![]() DIODE MOD FST-REC SGL 1000V 200A |
![]() Data Sheet |
![]()
|
|
||||||||||||||||||||||
![]() |
![]() CS241210 |
![]() |
![]() DIODE MOD FST-REC SGL 1200V 100A |
![]() Data Sheet |
![]()
|
|
||||||||||||||||||||||
![]() |
![]() CS241250 |
![]() |
![]() DIODE MOD FST-REC SGL 1200V 50A |
![]() Data Sheet |
![]()
|
|
||||||||||||||||||||||
(Hong Kong)













