Product Summary
The A50QS150-4Y is a protection fuse. It is made to meet the need to improve the overall performance of semiconductor fuses in response to new equipment requirements. The A50QS150-4Y encompasses the best protection features – lower I2t to provide better protection for equipment, longer life when subjected to cyclic loading and lower watts loss. The A50QS150-4Y is the best choice for the protection of dynamic solid state equipment such as motor drives, inverters, UPS, etc.
Features
A50QS150-4Y features: (1)500V AC/DC Rated; (2)Lowest l2t; (3)Low Watts Loss; (4)Superior Cycling Ability.
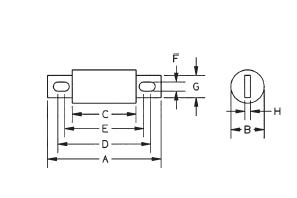
Diagrams

(Hong Kong)






