Product Summary
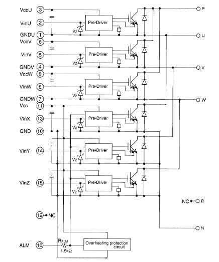
The 6MBP25RA120 is an IGBT module.
Parametrics
6MBP25RA120 absolute maximum ratings: (1)DC bus voltage: 900V; (2)DC bus voltage (surge): 1000V; (3)DC bus voltage (short operating): 800V; (4)Collector-Emitter voltage: 1200V; (5)Junction temperature: 150℃; (6)Input voltage of power supply for Pre-Driver: 20V; (7)Input signal voltage: VzV; (8)Input signal current: 1mA; (9)Alarm signal voltage: VccV; (10)Alarm signal current:15mA; (11)Storage temperature: -40 ~+125℃; (12)Operating case temperature: -20~+100℃; (13)Isolating voltage (Case-Terminal): AC2.5kV.
Features
6MBP25RA120 features: (1)Temperature protection provided by directly detecting the junction temperature of the IGBTs; (2)Low power loss and soft switching; (3)Compatible with existing IPM-N series packages; (4)High performance and high reliability IGBT with overheating protection; (5)Higher reliability because of a big decrease in number of parts in built-in control circuit.
Diagrams

| Image | Part No | Mfg | Description | ![]() |
Pricing (USD) |
Quantity | ||||
|---|---|---|---|---|---|---|---|---|---|---|
![]() |
![]() 6MBP25RA120 |
![]() Other |
![]() |
![]() Data Sheet |
![]() Negotiable |
|
||||
| Image | Part No | Mfg | Description | ![]() |
Pricing (USD) |
Quantity | ||||
![]() |
![]() 6MBP 150RA-060 |
![]() Other |
![]() |
![]() Data Sheet |
![]() Negotiable |
|
||||
![]() |
![]() 6MBP 15RH-060 |
![]() Other |
![]() |
![]() Data Sheet |
![]() Negotiable |
|
||||
![]() |
![]() 6MBP 75RA-120 |
![]() Other |
![]() |
![]() Data Sheet |
![]() Negotiable |
|
||||
![]() |
![]() 6MBP100RTA-060 |
![]() Other |
![]() |
![]() Data Sheet |
![]() Negotiable |
|
||||
![]() |
![]() 6MBP100RTB060 |
![]() Other |
![]() |
![]() Data Sheet |
![]() Negotiable |
|
||||
![]() |
![]() 6MBP150RA120 |
![]() Other |
![]() |
![]() Data Sheet |
![]() Negotiable |
|
||||
(Hong Kong)









