Product Summary
The QM100DY-H is a transistor module. The applications of it are Inverters, Servo drives, DC motor controllers, NC equipment, Welders.
Parametrics
QM100DY-H absolute maximum ratings: (1)Collector-emitter voltage:600V; (2)Collector-emitter voltage:600V; (3)Collector-base voltage:600V; (4)Emitter-base voltage:7V; (5)Collector current:100A; (6)Collector reverse current:100A; (7)Collector dissipation:620W; (8)Base current:6A; (9)Surge collector reverse current:1000A; (10)Junction temperature:-40℃ to +150℃; (11)Storage temperature:-40℃ to +125℃; (12)Isolation voltage:2500V.
Features
QM100DY-H features: (1)IC Collector current:100A; (2)VCEX Collector-emitter voltage:600V; (3)hFE DC current gain:75; (4)Insulated Type; (5)UL Recognized: Yellow Card No. E80276 (N), File No. E80271.
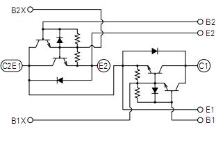
Diagrams

| Image | Part No | Mfg | Description | ![]() |
Pricing (USD) |
Quantity | ||||
|---|---|---|---|---|---|---|---|---|---|---|
![]() |
![]() QM100DY-H |
![]() Other |
![]() |
![]() Data Sheet |
![]() Negotiable |
|
||||
![]() |
![]() QM100DY-HB |
![]() Other |
![]() |
![]() Data Sheet |
![]() Negotiable |
|
||||
![]() |
![]() QM100DY-HBK |
![]() Other |
![]() |
![]() Data Sheet |
![]() Negotiable |
|
||||
![]() |
![]() QM100DY-HK |
![]() Other |
![]() |
![]() Data Sheet |
![]() Negotiable |
|
||||
(Hong Kong)









