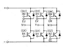
Product Summary
The 6MBI10L-060 is an IGBT module. Applications include inverters for motor drive, AC and DC servo drive amplifier, uninterruptible power supply and industrial machines such as welding machines.
Parametrics
6MBI10L-060 absolute maximum ratings: (1)collecter-emitter voltage: 600V; (2)gare-emitter voltage: ±20V; (3)MAX. power dissipation: 40W; (4)operating temperature: +150℃; (5)storage temperature: -40 to +125℃; (6)isolation voltage: 2500V; (7)net. weight: 150g.
Features
6MBI10L-060 features:(1)low saturation voltage; (2)voltage drive; (3)high speed switching.
Diagrams

(Hong Kong)






