Product Summary
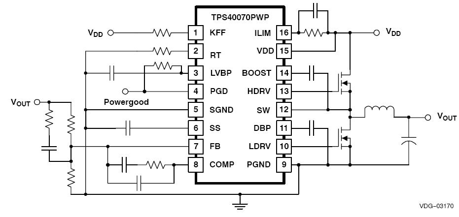
The TPS40070PWP is a high-efficiency midrange input synchronous buck controller with voltage feed-forward. The TPS40070PWP offers design flexibility with a variety of user programmable functions, including; soft-start, UVLO, operating frequency, voltage feed-forward and high-side FET sensed short circuit protection. The applications of the TPS40070PWP include Power Modules, Networking/Telecom, Industrial, Servers.
Parametrics
TPS40070PWP absolute maximum ratings: (1)VDD, ILIM: 30V; (2)COMP, FB, KFF, PGD, LVBP: –0.3 to 6V; (3)SW: –0.3 to 40V; (4)SW, transient < 50 ns: –2.5V; (5)COMP, KFF, RT, SS: –0.3 to 6V; (6)VBOOST: 50V; (7)DBP: 10.5V; (8)LVBP: 6V; (9)LDRV, HDRV: 1.5A; (10)LDRV, HDRV: 2.0A; (11)IOUT Output current sink KFF: 10A; (12)RT: 1A; (13)Output current LVBP: 1.5mA; (14)TJ Operating junction temperature range: –40 to 125℃; (15)Tstg Storage temperature –55 to 150℃; (16)Lead temperature 1,6 mm (1/16 inch) from case for 10 seconds: 260℃.
Features
TPS40070PWP features: (1)Operation Over 4.5-V to 28-V Input Range; (2)Programmable Fixed-Frequency up to 1-MHz Voltage-Mode Controller; (3)Predictive Gate Drive With Anti-Cross Conduction Circuitry; (4)<1% Internal 700-mV Reference; (5)Internal Gate Drive Outputs for High-Side and Synchronous N-Channel MOSFETs; (6)16-Pin PowerPAD Package; (7) Thermal Shutdown Protection; (8) Programmable High-Side Sense Short Circuit Protection.
Diagrams

| Image | Part No | Mfg | Description | ![]() |
Pricing (USD) |
Quantity | ||||||||||||
|---|---|---|---|---|---|---|---|---|---|---|---|---|---|---|---|---|---|---|
![]() |
![]() TPS40070PWP |
![]() Texas Instruments |
![]() DC/DC Switching Controllers Mid Range Input Synch Buck Cntrlr |
![]() Data Sheet |
![]()
|
|
||||||||||||
![]() |
![]() TPS40070PWPG4 |
![]() Texas Instruments |
![]() DC/DC Switching Controllers Mid Range Input Freq Synch Buck Cntrlr |
![]() Data Sheet |
![]()
|
|
||||||||||||
![]() |
![]() TPS40070PWPR |
![]() Texas Instruments |
![]() DC/DC Switching Controllers Mid Range Input Freq Synch Buck Cntrlr |
![]() Data Sheet |
![]()
|
|
||||||||||||
![]() |
![]() TPS40070PWPRG4 |
![]() Texas Instruments |
![]() DC/DC Switching Controllers Mid Range Input Freq Synch Buck Cntrlr |
![]() Data Sheet |
![]()
|
|
||||||||||||
(Hong Kong)









