Product Summary
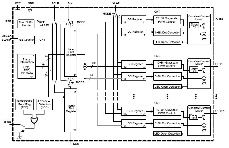
The TLC5941RHBR is a 16-channel, constant-current sink, LED driver. Each channel of the TLC5941RHBR has an individually adjust able 4096-step grayscale PWM brightness control and a 64-step constant-current sink (dot correction). The dot correction adjusts the brightness variations between LED channels and other LED drivers. Both grayscale control and dot correction are accessible via a serial interface. A single external resistor sets the maximum current value of all 16 channels. The applications of the TLC5941RHBR include Monocolor, Multicolor, Full-Color LED Displays, LED Signboards, and Display Back-lighting.
Parametrics
TLC5941RHBR absolute maximum ratings: (1)VI Input voltage range(2) VCC:–0.3 V to 6 V; (2)IO Output current (dc): 90mA; (3)VI Input voltage range V(BLANK), V(SCLK), V(XLAT), V(MODE): –0.3 V to VCC +0.3 V; (4)V(SOUT), V(XERR): –0.3 V to VCC +0.3 V; (5)VO Output voltage range V(OUT0) to V(OUT15): –0.3 V to 18 V; (6)Tstg Storage temperature range: –55℃ to 150℃; (7)TA Operating ambient temperature range: –40℃ to 85℃; (8)HTSSOP (PWP)(4): 31.58℃/W; (9)Package thermal impedance(3) QFN (RHB)(4): 35.9℃/W; (10)PDIP (NT): 48℃/W.
Features
TLC5941RHBR features: (1)16 Channels; (2)12-bit (4096 Steps) Grayscale PWM Control; (3)Dot Correction: 6 bit (64 Steps); (4)Drive Capability (Constant-Current Sink): 0 mA to 80 mA; (5)LED Power Supply Voltage up to 17 V; (6)VCC = 3.0 V to 5.5 V; (7)Serial Data Interface, SPI Compatible; (8)Controlled In-Rush Current; (9)30-MHz Data Transfer Rate; (10)CMOS Level I/O; (11)Error Information.
Diagrams

| Image | Part No | Mfg | Description | ![]() |
Pricing (USD) |
Quantity | ||||||||||
|---|---|---|---|---|---|---|---|---|---|---|---|---|---|---|---|---|
![]() |
![]() TLC5941RHBR |
![]() Texas Instruments |
![]() LED Display Drivers 16 Channel LED Driver |
![]() Data Sheet |
![]()
|
|
||||||||||
![]() |
![]() TLC5941RHBRG4 |
![]() Texas Instruments |
![]() LED Display Drivers 16 Channel LED Driver |
![]() Data Sheet |
![]()
|
|
||||||||||
(Hong Kong)









