Product Summary
The OP07CDR is a precision operational amplifier. It offers low offset and long-term stability by means of a low-noise, chopperless, bipolar-input-transistor amplifier circuit. For most applications, external components of the OP07CDR are not required for offset nulling and frequency compensation. The true differential input, with a wide input-voltage range and outstanding common-mode rejection, provides maximum flexibility and performance in high-noise environments and in noninverting applications. Low bias current and extremely high input impedance are maintained over the entire temperature range. The OP07CDR is unsurpassed for low-noise, high-accuracy amplification of very-low-level signals. The OP07CDR is characterized for operation from 0℃ to 70℃.
Parametrics
OP07CDR absolute maximum ratings: (1)Supply voltage: VCC+ (see Note 1): 22 V; VCC-(see Note 1): 22 V; (2)Differential input voltage (see Note 2): ±30 V; (3)Input voltage, VI (either input, see Note 3): ±22 V; (4)Duration of output short circuit: Unlimited; (5)Package thermal impedance, θJA (see Notes 5 and 6): D package: 97℃/W; (6)Operating virtual junction temperature, TJ: 150℃; (7)Lead temperature 1,6 mm (1/16 inch) from case for 10 seconds: 260℃; (8)Storage temperature range, Tstg: 65℃ to 150℃.
Features
OP07CDR features: (1)Low Noise; (2)No External Components Required; (3)Replace Chopper Amplifiers at a Lower Cost; (4)Wide Input-Voltage Range: 0 to ±14 V Typ; (5)Wide Supply-Voltage Range: ±3 V to ±18 V.
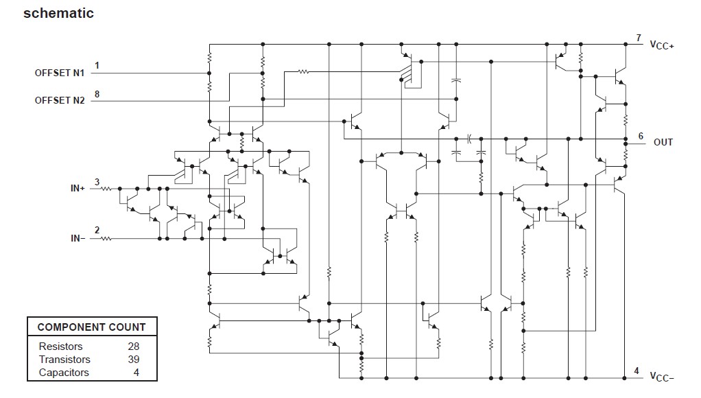
Diagrams

| Image | Part No | Mfg | Description | ![]() |
Pricing (USD) |
Quantity | ||||||||||||
|---|---|---|---|---|---|---|---|---|---|---|---|---|---|---|---|---|---|---|
![]() |
![]() OP07CDR |
![]() Texas Instruments |
![]() Operational Amplifiers - Op Amps Low Offset Volt Prec |
![]() Data Sheet |
![]()
|
|
||||||||||||
![]() |
![]() OP07CDRE4 |
![]() Texas Instruments |
![]() Operational Amplifiers - Op Amps Low-Offset Voltage Op Amp |
![]() Data Sheet |
![]()
|
|
||||||||||||
![]() |
![]() OP07CDRG4 |
![]() Texas Instruments |
![]() Operational Amplifiers - Op Amps Low-Offset Voltage Op Amp |
![]() Data Sheet |
![]()
|
|
||||||||||||
(Hong Kong)









