Product Summary
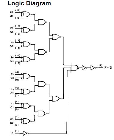
The MM74HC688SJ is an 8-Bit Magnitude Comparator. The MM74HC688SJ equality detector utilizes advanced silicon-gate CMOS technology to compare bit for bit two 8-bit words and indicates whether or not they are equal. The P-Q output indicates equality when it is LOW. A single active low enable is provided to facilitate cascading of several packages and enable comparison of words greater than 8 bits. The MM74HC688SJ is useful in memory block decoding applications, where memory block enable signals must be generated from computer address information.
Parametrics
MM74HC688SJ absolute maximum ratings: (1)Supply Voltage (VCC): -0.5 to +7.0V; (2)DC Input Voltage (VIN): -1.5 to VCC +1.5V; (3)DC Output Voltage (VOUT): -0.5 to VCC +0.5V; (4)Clamp Diode Current (IIK, IOK): ±20 mA; (5)DC Output Current, per pin (IOUT): ±25 mA; (6)DC VCC or GND Current, per pin (ICC): ±50 mA; (7)Storage Temperature Range (TSTG): -65℃ to +150℃; (8)Power Dissipation (PD), (Note 3): 600 mW; S.O. Package only: 500 mW; (9)Lead Temperature (TL) (Soldering 10 seconds): 260℃.
Features
MM74HC688SJ features: (1)Typical propagation delay: 20 ns; (2)Wide power supply range: 2–6V; (3)Low quiescent current: 80 PA (74 Series); (4)Large output current: 4 mA (74 Series); (5)Same as HC521.
Diagrams

| Image | Part No | Mfg | Description | ![]() |
Pricing (USD) |
Quantity | ||||
|---|---|---|---|---|---|---|---|---|---|---|
![]() |
![]() MM74HC688SJ |
![]() Fairchild Semiconductor |
![]() Comparator ICs 8-Bit Mag Comparator |
![]() Data Sheet |
![]() Negotiable |
|
||||
![]() |
![]() MM74HC688SJ_Q |
![]() Fairchild Semiconductor |
![]() Comparator ICs 8-Bit Mag Comparator |
![]() Data Sheet |
![]() Negotiable |
|
||||
![]() |
![]() MM74HC688SJX |
![]() Fairchild Semiconductor |
![]() Comparator ICs 8-Bit Mag Comparator |
![]() Data Sheet |
![]() Negotiable |
|
||||
(Hong Kong)









