Product Summary
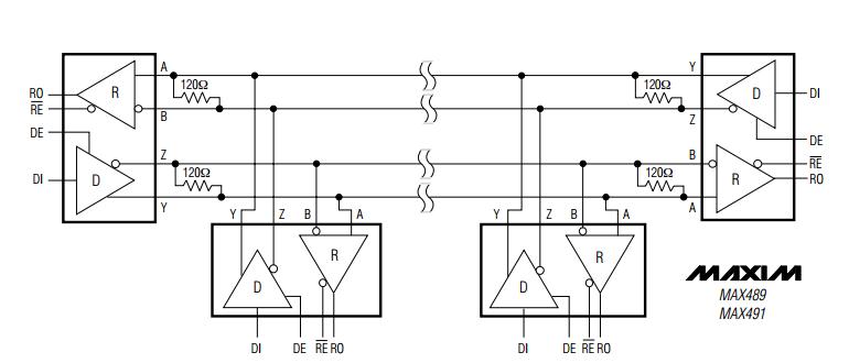
The MAX489ESD+T is a low-power transceiver for RS-485 and RS-422 communication. Each part contains one driver and one receiver. The MAX489ESD+T features reduced slew-rate drivers that minimize EMI and reduces reflections caused by improperly terminated cables, thus allowing error-free data transmission up to 250kbps. The driver slew rates of the device not limited, allowing them to transmit up to 2.5Mbps. The applications of the MAX489ESD+T include Low-Power RS-485 Transceivers, Low-Power RS-422 Transceivers, Level Translators, Transceivers for EMI-Sensitive Applications, Industrial-Control Local Area Networks.
Parametrics
MAX489ESD+T absolute maximum ratings: (1)Supply Voltage (VCC): 12V; (2)Control Input Voltage (RE, DE): -0.5V to (VCC+ 0.5V); (3)Driver Input Voltage (DI): -0.5V to (VCC+ 0.5V); (4)Driver Output Voltage (A, B): -8V to +12.5V; (5)Receiver Input Voltage (A, B): -8V to +12.5V; (6)Receiver Output Voltage (RO): -0.5V to (VCC+0.5V); (7)Continuous Power Dissipation (TA= +70℃)8-Pin Plastic DIP (derate 9.09mW/℃ above +70℃): 727mW; 14-Pin Plastic DIP (derate 10.00mW/℃ above +70℃): 800mW; 8-Pin SO (derate 5.88mW/℃ above +70℃): 471mW; 14-Pin SO (derate 8.33mW/℃ above +70℃): 667mW; 8-Pin μMAX (derate 4.1mW/℃ above +70℃): 830mW; 8-Pin CERDIP (derate 8.00mW/℃ above +70℃): 640mW; 14-Pin CERDIP (derate 9.09mW/℃ above +70℃): 727mW; (8)Operating Temperature Ranges: -40℃ to +85℃; (9)Storage Temperature Range: -65℃ to +160℃; (10)Lead Temperature (soldering, 10sec): +300℃.
Features
MAX489ESD+T features: (1)For Fault-Tolerant Applications, MAX3430: ±80V Fault-Protected, Fail-Safe, 1/4, Unit Load, +3.3V, RS-485 Transceiver; MAX3440E–MAX3444E: ±15kV ESD-Protected, ±60V Fault-Protected, 10Mbps, Fail-Safe, RS-485/J1708 Transceivers; (2)For Space-Constrained Applications, MAX3460–MAX3464: +5V, Fail-Safe, 20Mbps, Profibus RS-485/RS-422 Transceivers; MAX3362: +3.3V, High-Speed, RS-485/RS-422 Transceiver in a SOT23 Package; MAX3280E–MAX3284E: ±15kV ESD-Protected, 52Mbps, +3V to +5.5V, SOT23, RS-485/RS-422, True Fail-Safe Receivers; MAX3293/MAX3294/MAX3295: 20Mbps, +3.3V, SOT23, RS-855/RS-422 Transmitters For Multiple Transceiver Applications; MAX3030E–MAX3033E: ±15kV ESD-Protected, +3.3V, Quad RS-422 Transmitters; (3)For Fail-Safe Applications, MAX3080–MAX3089: Fail-Safe, High-Speed (10Mbps), Slew-Rate-Limited RS-485/RS-422 Transceivers; (4)For Low-Voltage Applications; MAX3483E/MAX3485E/MAX3486E/MAX3488E/MAX3490E/MAX3491E: +3.3V Powered, ±15kV ESD-Protected, 12Mbps, Slew-Rate-Limited, True RS-485/RS-422 Transceivers.
Diagrams

| Image | Part No | Mfg | Description | ![]() |
Pricing (USD) |
Quantity | ||||||||||||
|---|---|---|---|---|---|---|---|---|---|---|---|---|---|---|---|---|---|---|
![]() |
![]() MAX489ESD+T |
![]() Maxim Integrated Products |
![]() RS-422/RS-485 Interface IC RS-485/RS-422 Transceiver |
![]() Data Sheet |
![]()
|
|
||||||||||||
| Image | Part No | Mfg | Description | ![]() |
Pricing (USD) |
Quantity | ||||||||||||
![]() |
![]() MAX4000 |
![]() Other |
![]() |
![]() Data Sheet |
![]() Negotiable |
|
||||||||||||
![]() |
![]() MAX4000EBL+T |
![]() Maxim Integrated Products |
![]() RF Detector 2.5GHz 45dB RF Detecting Ctlr |
![]() Data Sheet |
![]()
|
|
||||||||||||
![]() |
![]() MAX4000EBL-T |
![]() Maxim Integrated Products |
![]() RF Detector |
![]() Data Sheet |
![]() Negotiable |
|
||||||||||||
![]() |
![]() MAX4000EUA |
![]() Maxim Integrated Products |
![]() RF Detector 2.5GHz 45dB RF Detecting Ctlr |
![]() Data Sheet |
![]()
|
|
||||||||||||
![]() |
![]() MAX4000EUA+ |
![]() Maxim Integrated Products |
![]() RF Detector 2.5GHz 45dB RF Detecting Ctlr |
![]() Data Sheet |
![]()
|
|
||||||||||||
![]() |
![]() MAX4000EUA+T |
![]() Maxim Integrated Products |
![]() RF Detector 2.5GHz 45dB RF Detecting Ctlr |
![]() Data Sheet |
![]()
|
|
||||||||||||
(Hong Kong)










